Доска объявлений

Активные темы доски объявлений

Радиоприемник Орбита-2

Общение любителей радиоаппаратуры на полупроводниках.
Сообщение
Автор
Аватара пользователя
svk
Сообщения: 4707
Зарегистрирован: 27 май 2019, 18:14
Откуда: Гурьевск (Нойхаузен)
Благодарил (а): 9 раз
Поблагодарили: 642 раза

Re: Радиоприемник Орбита-2

#51

#51 Сообщение svk » 15 июл 2020, 22:03

2vlad
Спасибо, скачал эл.версию. Надо в подвал спуститься, может и бумажный вариант есть. В те славные времена каждую неделю обходил книжные и покупал все новинки.
Лишь одну получил в подарок, не знаю где они её нашли в Будапеште :)
Изображение

Аватара пользователя
Alexandr
Сообщения: 5716
Зарегистрирован: 14 сен 2009, 17:30
Откуда: Молдова, Кишинев
Благодарил (а): 197 раз
Поблагодарили: 232 раза

Re: Радиоприемник Орбита-2

#52

#52 Сообщение Alexandr » 15 июл 2020, 22:07

Я заказывал книги в специализированном магазине. Когда приходили каталоги издательств с планами выпуска книг на следующий год, заполнял специальные карточки и когда книга выходила, по почте присылали карточку и по ней я получал книгу. Удобно было.

2vlad
Сообщения: 9320
Зарегистрирован: 11 мар 2011, 10:10
Откуда: Москва
Благодарил (а): 222 раза
Поблагодарили: 239 раз

Re: Радиоприемник Орбита-2

#53

#53 Сообщение 2vlad » 15 июл 2020, 22:20

Alexandr
Я делал то же самое, но не в одном магазине, а 4 или 5-ти, начиная с "Дома книги" на Новом Арбате и т.д. Вот ведь не лень было кататься, а потом ждать карточки и ещё раз ехать выкупать...
Владимир

Аватара пользователя
Alexandr
Сообщения: 5716
Зарегистрирован: 14 сен 2009, 17:30
Откуда: Молдова, Кишинев
Благодарил (а): 197 раз
Поблагодарили: 232 раза

Re: Радиоприемник Орбита-2

#54

#54 Сообщение Alexandr » 15 июл 2020, 22:29

Я выгравировал штамп с адресом, чтобы не тратить время на на заполнение карточек. Каталоги приходили на завод и я мог спокойно выбрать интересующую литературу, благо я ее заказывал и для предприятия.

Аватара пользователя
svk
Сообщения: 4707
Зарегистрирован: 27 май 2019, 18:14
Откуда: Гурьевск (Нойхаузен)
Благодарил (а): 9 раз
Поблагодарили: 642 раза

Re: Радиоприемник Орбита-2

#55

#55 Сообщение svk » 15 июл 2020, 22:50

Alexandr писал(а):Я заказывал книги в специализированном магазине.
Не скажу, может в Ташкенте и был такой. Я просто раз в неделю прогуливался по центру, все магазины там. Да и продавцы уже знали, оставляли литературу по радио и фото.

Аватара пользователя
Alexandr
Сообщения: 5716
Зарегистрирован: 14 сен 2009, 17:30
Откуда: Молдова, Кишинев
Благодарил (а): 197 раз
Поблагодарили: 232 раза

Re: Радиоприемник Орбита-2

#56

#56 Сообщение Alexandr » 15 июл 2020, 23:04

Я почему вспомнил про "Спорт-2", у меня есть необычный экземпляр, нигде такой не встречал. А в книге прекрасные рисунки. Легко разбираться.

2vlad
Сообщения: 9320
Зарегистрирован: 11 мар 2011, 10:10
Откуда: Москва
Благодарил (а): 222 раза
Поблагодарили: 239 раз

Re: Радиоприемник Орбита-2

#57

#57 Сообщение 2vlad » 15 июл 2020, 23:10

Alexandr
Не у всех были такие возможности: штампы, каталоги на заводе... Всё приходилось писать...
Зато интересно было потом приехать за заказанной книжкой! Как правило, в продаже их уже не было, а моя, заказанная, меня дожидалась!
Владимир

Аватара пользователя
Alexandr
Сообщения: 5716
Зарегистрирован: 14 сен 2009, 17:30
Откуда: Молдова, Кишинев
Благодарил (а): 197 раз
Поблагодарили: 232 раза

Re: Радиоприемник Орбита-2

#58

#58 Сообщение Alexandr » 15 июл 2020, 23:15

Да, в магазине откладывали книги тем, кто заказал, а если были лишние экземпляры, то пускали в свободную продажу. Но это гарантировало получение вожделенной книжки. При заказе книг магазин ориентировался на количество карточек. У меня сохранилась стопка почтовых карточек. Брал с запасом, но эта система резко рухнула и карточки остались :) .

Аватара пользователя
Diogen
Сообщения: 262
Зарегистрирован: 13 сен 2009, 01:09
Откуда: Рига,Латвия
Поблагодарили: 8 раз

Re: Радиоприемник Орбита-2

#59

#59 Сообщение Diogen » 15 июл 2020, 23:27

Уваж.svk!
1. Рисунок печатной платы, который разместил 2vlad, не соответствует Вашему варианту! У Вашего варианта на один транзистор меньше - была изменена схема стабилизации напряжения гетеродина.
2. Предыдущим владельцем был заменён переходной трансформатор (вероятно из-за обрыва) на трансформатор от какого-то другого приёмника. Очевидно не совпадала разводка выводов и поэтому такие многочисленные перемычки и подрезание дорожек фольги. Выходной трансформатор оригинальный.
3. Обе антенные катушки самодельные! На производстве катушка диапазона СВ моталась на секционированном каркасе. Катушка КВ тоже выглядела несколько иначе.

В остальном (то, что видно на фото) какого-либо вмешательства не наблюдаю. Так что аппарат, как полагаю, вполне можно оживить.

Аватара пользователя
svk
Сообщения: 4707
Зарегистрирован: 27 май 2019, 18:14
Откуда: Гурьевск (Нойхаузен)
Благодарил (а): 9 раз
Поблагодарили: 642 раза

Re: Радиоприемник Орбита-2

#60

#60 Сообщение svk » 15 июл 2020, 23:44

Diogen
Спасибо за поддержку и советы! Я уже заметил катушку СВ, намотанную навалом другим проводом, согласующий транс со следами пайки на плате и отсутствие стаб. Т8. Читал, что в схеме были изменения. Буду последовательно разбираться на следующей неделе, пока лишь, как первый шаг, прозвонил питание, показывает обрыв. Бывший владелец видно очень любил приемник, старался содержать в порядке и много проводил с ним время, судя по истертому темляку.

2vlad
Сообщения: 9320
Зарегистрирован: 11 мар 2011, 10:10
Откуда: Москва
Благодарил (а): 222 раза
Поблагодарили: 239 раз

Re: Радиоприемник Орбита-2

#61

#61 Сообщение 2vlad » 15 июл 2020, 23:56

Diogen
У меня сейчас только одна "Орбита-2", какой это вариант - не знаю, но восстановил её работоспособность по этой картинке, то есть - помогла! Катушки МА намотаны, уж извините (!), препохабнейшим образом, наверное, в соответствии с техпроцессом... Залеплены синей лентой, которая вся рассопливилась от времени (ну ясно: это же русские прислали!), переделывать не стал. Было ещё два таких же приёмника, а в них - то же самое с МА. В первой "Орбите" - точно так же. Эта пара "Орбит" - хорошая "задумка", но реализованы не самым лучшим образом обе.
Да ладно, это всё лирика... Главное - чтобы снова заработал приёмник!
Владимир

Аватара пользователя
svk
Сообщения: 4707
Зарегистрирован: 27 май 2019, 18:14
Откуда: Гурьевск (Нойхаузен)
Благодарил (а): 9 раз
Поблагодарили: 642 раза

Re: Радиоприемник Орбита-2

#62

#62 Сообщение svk » 03 авг 2020, 21:33

Не успел приступить к ремонту приемника, подвернулся получше. Конечно время берет свое, но главное нет следов вмешательства. Надо привести в порядок кассету, либо приспособить современную. Прием на КВ есть, на СВ проблемы-только шум, надо разбираться. Сегодня днем на КВ:

Изображение

Изображение
Кстати, обратил внимание, что в справочнике Белова на схеме перепутана полярность батареи, как Орбите, так и в Орбите-2.
Последний раз редактировалось svk 03 авг 2020, 21:41, всего редактировалось 1 раз.

2vlad
Сообщения: 9320
Зарегистрирован: 11 мар 2011, 10:10
Откуда: Москва
Благодарил (а): 222 раза
Поблагодарили: 239 раз

Re: Радиоприемник Орбита-2

#63

#63 Сообщение 2vlad » 03 авг 2020, 21:40

svk
Эта похожа на конфетку! Будет у Вас две "Орбиты"!
Владимир

Аватара пользователя
svk
Сообщения: 4707
Зарегистрирован: 27 май 2019, 18:14
Откуда: Гурьевск (Нойхаузен)
Благодарил (а): 9 раз
Поблагодарили: 642 раза

Re: Радиоприемник Орбита-2

#64

#64 Сообщение svk » 03 авг 2020, 21:59

2vlad
Да, корпус внешне не плох, лишь на задней крышке небольшой скол.
Изображение
Приобрел приемник из-за интереса посмотреть как он на КВ. Буквально сейчас хороший прием в пределах всей шкалы. Раньше, в те годы, было "общение" только с семейным Меридианом.

Аватара пользователя
svk
Сообщения: 4707
Зарегистрирован: 27 май 2019, 18:14
Откуда: Гурьевск (Нойхаузен)
Благодарил (а): 9 раз
Поблагодарили: 642 раза

Re: Радиоприемник Орбита-2

#65

#65 Сообщение svk » 08 авг 2020, 02:16

Вот и закончил с Орбитой-2 :). На СВ не было приема из-за непропайки концов антенной катушки. Поменял все электролиты, так как ESR доходило до 18 ом. Заменил задубевшие провода, тросик верньера, привел в порядок кассету элементов питания. Никаких настроек не менял, нет необходимости.
Старый тросик верньера был растрепан и на ручке настройки периодически клинил ход из-за наползания витков. Новый (от сухи) тонкий и удачно подошел. Концы обмакнул в клей, чтобы не расплетались.

Изображение

Изображение

С этой стороны видна лишь замена электролитов и проводов, остальное в "первозданном" виде. В том числе катушка с изолентой, которую не стал трогать, держится)

Изображение

А должны быть на секционных каркасах (на которых сэкономили) как показаны здесь https://www.radiopagajiba.lv/RRR/orbita/orbita2.htm

На батарейный отсек явно пожалели место. Кассета вставляется с трудом, а извлекается еще сложнее. Думаю поставить кассету на 4 ААА. Емкость у них больше, чем у советских 316, а учитывая редкое пользование приемником, то на год хватит.

Изображение

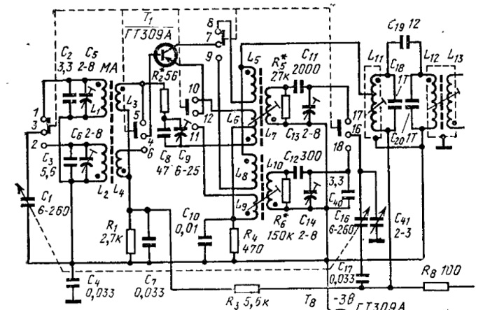
И самый интересный вопрос. Как известно в поздних моделях исключили всего лишь стабилизатор напряжения на транзисторе. Вроде бы и рисунок печатной платы можно было не менять. Но нет, изменения довольно значительные и связаны с установкой нового переключателя диапазонов ПД2-2П6Н, у которого, в отличии от прежнего, переключающий контакт находится в центре каждой группы.
Собственно это отображено и на принципиальных схемах.
1. Первый вариант.
Изображение

2. Второй вариант.
Изображение

Схема печатной платы первого варианта Орбиты-2 приведена в книге Л.Е. Новоселова.
Участок вокруг переключателя диапазонов и схема контактов переключателя первого варианта.

Изображение

Изображение

Второй вариант печатной платы
Изображение

В заключение примеры работы. Перенес из другой темы)
Проба на КВ в интервале 16:10-18:15 мск. Сборная "солянка" по порядку в кГц: Румыния 9490, 9600, 9890; Индия 11560; Китай 11790.

На СВ в 22:10 мск

После 17:00 мск. в кГц 9490, 9600 (Румыния), 12005 (F.Farda на фарси из Англии), 12055 (Туркмения из Германии), 13770 (Эр-Рияд). По последней станции, наверное зеркалка,


Приемник действительно кроха, особенно рядом с "земляками")

Изображение

Tofiq62
Сообщения: 14963
Зарегистрирован: 17 фев 2012, 14:57
Откуда: Республика Азербайджан г.Баку
Благодарил (а): 14 раз
Поблагодарили: 429 раз

Re: Радиоприемник Орбита-2

#66

#66 Сообщение Tofiq62 » 08 авг 2020, 09:56

Сегодня попробую что нибудь вечерком со своей Орбитой 2 поймать какую нибудь радиостанцию.Это я типа выпендриваюсь что и у меня есть Орбита 2.

Аватара пользователя
svk
Сообщения: 4707
Зарегистрирован: 27 май 2019, 18:14
Откуда: Гурьевск (Нойхаузен)
Благодарил (а): 9 раз
Поблагодарили: 642 раза

Re: Радиоприемник Орбита-2

#67

#67 Сообщение svk » 08 авг 2020, 17:55

Tofiq62
Помню, помню, Вы писали про проблемы с приемом радиостанций. Глядишь, Орбита поможет. Но, может нужен жертвенный ягненок в очередную пятницу? :)

KareDany
Сообщения: 19
Зарегистрирован: 06 авг 2022, 15:28
Благодарил (а): 26 раз
Поблагодарили: 6 раз

Re: Радиоприемник Орбита-2

#68

#68 Сообщение KareDany » 06 авг 2022, 16:56

Холаааааа,
интересная тема о ремонте радио Орбита 2, дома у меня есть Орбита 2 и Taíno 74 (версия для Кубы Орбиты 2), которые я пытаюсь отремонтировать, ваш сайт помог, привет из Гаваны

Аватара пользователя
Ирина
Администратор форума
Сообщения: 6795
Зарегистрирован: 02 окт 2011, 13:58
Откуда: Ишимбай
Благодарил (а): 690 раз
Поблагодарили: 342 раза

Re: Радиоприемник Орбита-2

#69

#69 Сообщение Ирина » 06 авг 2022, 17:15

Салют, амиго.
С Кубы у нас ещё никого не было.

KareDany
Сообщения: 19
Зарегистрирован: 06 авг 2022, 15:28
Благодарил (а): 26 раз
Поблагодарили: 6 раз

Re: Радиоприемник Орбита-2

#70

#70 Сообщение KareDany » 06 авг 2022, 17:33

Еще раз привет с Кубы.
Ирина,
Тогда я буду первым кубинцем на форуме, хахаха
Последний раз редактировалось KareDany 06 авг 2022, 17:52, всего редактировалось 1 раз.

KareDany
Сообщения: 19
Зарегистрирован: 06 авг 2022, 15:28
Благодарил (а): 26 раз
Поблагодарили: 6 раз

Re: Радиоприемник Орбита-2

#71

#71 Сообщение KareDany » 06 авг 2022, 17:41

Извините за мой русский язык, я был в виду: кубинский

Аватара пользователя
Ирина
Администратор форума
Сообщения: 6795
Зарегистрирован: 02 окт 2011, 13:58
Откуда: Ишимбай
Благодарил (а): 690 раз
Поблагодарили: 342 раза

Re: Радиоприемник Орбита-2

#72

#72 Сообщение Ирина » 06 авг 2022, 18:31

OFF
Всё отлично. Добро пожаловать на форум. :preved: Если Вы тоже радиолюбитель или коллекционер, то смело создавайте персональную тему здесь:
viewforum.php?f=18
Куба для россиян братская страна. Многие увлеченно собирали кубинские марки и с удовольствием пили чай хваля ваш сахар.

Аватара пользователя
svk
Сообщения: 4707
Зарегистрирован: 27 май 2019, 18:14
Откуда: Гурьевск (Нойхаузен)
Благодарил (а): 9 раз
Поблагодарили: 642 раза

Re: Радиоприемник Орбита-2

#73

#73 Сообщение svk » 07 авг 2022, 00:12

Ирина писал(а):
06 авг 2022, 18:31
Многие увлеченно собирали кубинские марки и с удовольствием пили чай хваля ваш сахар.
И пели: "Пылает вся Куба...". Которую я на уроке пения записал как "Пылается Куба..." Вечером разучиваю, отец спрашивает : " Что значит пылается, наверное, пылает вся?" Но я стоял на своем: "Я так записал, точно слышал. И почему она не может пылаться?" )))

KareDany
Сообщения: 19
Зарегистрирован: 06 авг 2022, 15:28
Благодарил (а): 26 раз
Поблагодарили: 6 раз

Re: Радиоприемник Орбита-2

#74

#74 Сообщение KareDany » 07 авг 2022, 01:03

Вот прилагаю фото ремонтируемой Орбиты 2, заменил электролитические конденсаторы (50мкф, 20мкф и 1мкф), и керамические (47нф, 33нф, 15нф и 10нф), режимы постоянного напряжения транзисторов в порядке. Динамик и разъем для наушников в порядке.
Однако это не работает, я думаю, что это неисправность в переключении диапазонов средних волн (CB) и коротких волн (KB). Это второй вариант Орбиты 2, в нем нет транзистора регулятора напряжения (только стабилитрон)Изображение
Изображение
Изображение

Аватара пользователя
svk
Сообщения: 4707
Зарегистрирован: 27 май 2019, 18:14
Откуда: Гурьевск (Нойхаузен)
Благодарил (а): 9 раз
Поблагодарили: 642 раза

Re: Радиоприемник Орбита-2

#75

#75 Сообщение svk » 07 авг 2022, 09:53

KareDany писал(а):
07 авг 2022, 01:03
Однако это не работает, я думаю, что это неисправность в переключении диапазонов
Промойте плату от канифоли. Прозвоните контакты переключателя. Проверьте пайку входных катушек. Еще бы посоветовал подать сигнал ПЧ с подходящего приемника, подключая последовательно от последнего к первому каскаду ПЧ.
Изображение

KareDany
Сообщения: 19
Зарегистрирован: 06 авг 2022, 15:28
Благодарил (а): 26 раз
Поблагодарили: 6 раз

Re: Радиоприемник Орбита-2

#76

#76 Сообщение KareDany » 07 авг 2022, 20:52

Большое спасибо за ответ. Тест подачи сигнала ПЧ был сделан с помощью радиоприемника Сокол-403 через конденсатор 10 нф, и Орбита 2 работала хорошо, поэтому я предполагаю, что каскад усилителя звука, детектор и усилитель ПЧ в порядке, как подсказывает svk, я буду смотреть для нанесения спрея для очистки контактов типа WD-40 на переключатель диапазонов Орбита 2, мне нужна помощь в идентификации контактов переключателя диапазонов Орбита 2 в его варианте 2 на печатной плате (у него нет регулятора напряжения транзистора, только стабилитрон) привет из Гаваны

2vlad
Сообщения: 9320
Зарегистрирован: 11 мар 2011, 10:10
Откуда: Москва
Благодарил (а): 222 раза
Поблагодарили: 239 раз

Re: Радиоприемник Орбита-2

#77

#77 Сообщение 2vlad » 07 авг 2022, 21:15

KareDany, вот такая картинка, надеюсь, Вам поможет!
Изображение
Если будет плохо что-нибудь видно - напишите!
Владимир

KareDany
Сообщения: 19
Зарегистрирован: 06 авг 2022, 15:28
Благодарил (а): 26 раз
Поблагодарили: 6 раз

Re: Радиоприемник Орбита-2

#78

#78 Сообщение KareDany » 07 авг 2022, 21:28

Спасибо за помощь
На этом изображении есть транзистор регулятора напряжения (T2), это должна быть первая версия Orbita 2.
То есть подключение переключателя диапазонов такое же, как и у второй версии Орбиты 2?
По электрической схеме обеих версий Орбита 2 они разные (см. тему №65),
У вас будет изображение печатной платы второго варианта Орбиты 2 (без транзистора Т2), привет

Аватара пользователя
svk
Сообщения: 4707
Зарегистрирован: 27 май 2019, 18:14
Откуда: Гурьевск (Нойхаузен)
Благодарил (а): 9 раз
Поблагодарили: 642 раза

Re: Радиоприемник Орбита-2

#79

#79 Сообщение svk » 07 авг 2022, 21:52

KareDany, я обозначил контакты на фото печатной платы. Выше есть схема этого участка. Прежде, чем промывать, проверьте как замыкаются в каждой группе. Центральные контакты в каждой тройке 2, 5, 8, 11, 14, 17. Я давно занимался, будете прозванивать, станет понятно, правильно или нет. Успеха.
Изображение
Последний раз редактировалось svk 07 авг 2022, 21:56, всего редактировалось 1 раз.

Аватара пользователя
svk
Сообщения: 4707
Зарегистрирован: 27 май 2019, 18:14
Откуда: Гурьевск (Нойхаузен)
Благодарил (а): 9 раз
Поблагодарили: 642 раза

Re: Радиоприемник Орбита-2

#80

#80 Сообщение svk » 07 авг 2022, 21:53

2vlad, у него другой вариант.

2vlad
Сообщения: 9320
Зарегистрирован: 11 мар 2011, 10:10
Откуда: Москва
Благодарил (а): 222 раза
Поблагодарили: 239 раз

Re: Радиоприемник Орбита-2

#81

#81 Сообщение 2vlad » 07 авг 2022, 22:34

svk, да, уже понял... В теме всё прекрасно описано/расписано... Google переводчик коллеге в помощь и всю тему проштудировать!
Владимир

KareDany
Сообщения: 19
Зарегистрирован: 06 авг 2022, 15:28
Благодарил (а): 26 раз
Поблагодарили: 6 раз

Re: Радиоприемник Орбита-2

#82

#82 Сообщение KareDany » 08 авг 2022, 00:26

Большое спасибо за разъяснение, что такое центральные контакты переключателя диапазонов Орбита 2. На средних волнах (CB) это будет:
2-3
5-6
8-9
11-12
17-18

Аватара пользователя
svk
Сообщения: 4707
Зарегистрирован: 27 май 2019, 18:14
Откуда: Гурьевск (Нойхаузен)
Благодарил (а): 9 раз
Поблагодарили: 642 раза

Re: Радиоприемник Орбита-2

#83

#83 Сообщение svk » 08 авг 2022, 00:43

KareDany писал(а):
08 авг 2022, 00:26
Большое спасибо за разъяснение, что такое центральные контакты переключателя диапазонов Орбита 2. На средних волнах (CB) это будет:
2-3
5-6
8-9
11-12
17-18
Не за что.
Выходит, что так. Переключатель по схеме переходит в нижнее положение. Прозвонили на замыкание?

Аватара пользователя
svk
Сообщения: 4707
Зарегистрирован: 27 май 2019, 18:14
Откуда: Гурьевск (Нойхаузен)
Благодарил (а): 9 раз
Поблагодарили: 642 раза

Re: Радиоприемник Орбита-2

#84

#84 Сообщение svk » 08 авг 2022, 01:05

"Орбита-2" в сравнении на КВ.

СВ.

KareDany
Сообщения: 19
Зарегистрирован: 06 авг 2022, 15:28
Благодарил (а): 26 раз
Поблагодарили: 6 раз

Re: Радиоприемник Орбита-2

#85

#85 Сообщение KareDany » 09 авг 2022, 20:36

Привет из Гаваны.
Прилагаю эти изображения печатной платы радиоприемника Орбита 2. Синим цветом печатная плата версии 2 Орбиты 2 (это та, которую я искал)ИзображениеИзображениеИзображение

Аватара пользователя
svk
Сообщения: 4707
Зарегистрирован: 27 май 2019, 18:14
Откуда: Гурьевск (Нойхаузен)
Благодарил (а): 9 раз
Поблагодарили: 642 раза

Re: Радиоприемник Орбита-2

#86

#86 Сообщение svk » 09 авг 2022, 21:13

KareDany, есть ошибка, закорочен переключатель и выводы катушек. Посмотрите фото моей платы и схему, там видно, что выводы L5 и L8 идут на контакты переключателя 7 и 9.

Изображение

KareDany
Сообщения: 19
Зарегистрирован: 06 авг 2022, 15:28
Благодарил (а): 26 раз
Поблагодарили: 6 раз

Re: Радиоприемник Орбита-2

#87

#87 Сообщение KareDany » 10 авг 2022, 00:11

Да, верно, я уже заметил ошибку, но изображение мне показалось интересным, так как карта 2 версии Орбита 2 (в красном поле видно, что нет транзистора Т2, регулятора напряжения).
На фото выше тоже ошибка в переключателе диапазонов CB-KB, неправильная нумерация контактов (см. красную рамку)ИзображениеИзображение

Аватара пользователя
Diogen
Сообщения: 262
Зарегистрирован: 13 сен 2009, 01:09
Откуда: Рига,Латвия
Поблагодарили: 8 раз

Re: Радиоприемник Орбита-2

#88

#88 Сообщение Diogen » 10 авг 2022, 01:37

Уважаемый KareDany!

Должен Вас огорчить: вряд ли Вы сможете отремонтировать радиоприёмник! Похоже, что кто-то изрядно повозился с аппаратом. Привожу Ваше фото, на котором я смог что-то разглядеть:
1. большой горизонтальный овал - отсутствует диод стабилизатора (стабистор) 7ГЕ-1АС;
2. правый овал на пайках переключателя - спаяны вместе две группы контактов;
3. левый овал на пайках переключателя - провода от контуров гетеродина распаяны не на те контакты);
4. самый маленький овал - очень похоже на то, что нет участка фольги, но на такой грязной плате уверенно разглядеть что-либо очень затруднительно.
Изображение
Вероятно имеются и ещё какие-либо дефекты.

Кстати, ни одна из схем, приведённых Вами, не соответствует действительности!

Если же Вы, всё-таки, пожелаете повозиться с ремонтом, то хорошо отмойте плату этиловым спиртом или лучше изопропиловым спиртом (Изопропанол-2) если таковой имеется. Быть может что-то и удастся сделать, но надежды, если говорить честно, очень мало...
С уважением!

Аватара пользователя
svk
Сообщения: 4707
Зарегистрирован: 27 май 2019, 18:14
Откуда: Гурьевск (Нойхаузен)
Благодарил (а): 9 раз
Поблагодарили: 642 раза

Re: Радиоприемник Орбита-2

#89

#89 Сообщение svk » 10 авг 2022, 09:48

Diogen писал(а):
10 авг 2022, 01:37
Должен Вас огорчить: вряд ли Вы сможете отремонтировать радиоприёмник!
Зачем же так, когда:
KareDany писал(а):
07 авг 2022, 20:52
Тест подачи сигнала ПЧ был сделан с помощью радиоприемника Сокол-403 через конденсатор 10 нф, и Орбита 2 работала хорошо, поэтому я предполагаю, что каскад усилителя звука, детектор и усилитель ПЧ в порядке

Аватара пользователя
Diogen
Сообщения: 262
Зарегистрирован: 13 сен 2009, 01:09
Откуда: Рига,Латвия
Поблагодарили: 8 раз

Re: Радиоприемник Орбита-2

#90

#90 Сообщение Diogen » 10 авг 2022, 12:06

svk!

Кроме ПЧ и УНЧ есть ещё гетеродинные и антенные цепи. И все эти цепи завязаны на переключатель диапазонов. А этот переключатель очень боится перегрева при пайке - "уплывают" контакты. Там ведь недаром явно спаяны вместе 2-й и 3-й ; 11- й и 12-й контакты, т.е. напостоянно включён диапазон СВ. Да и выводы гетеродина, вроде бы, припаяны не туда, куда нужно, очень трудно разглядеть.

Без стабистора тракт ПЧ будет работать, вот только вопрос - КАК!
Вроде бы, есть ещё пара сомнительных мест - не разглядеть. В приёмнике явно хорошо покопались. Мне, разумеется, удалось бы отремонтировать: имеется в наличии вся комплектация для этого аппарата...

Peternew
Сообщения: 3
Зарегистрирован: 10 авг 2022, 13:10
Поблагодарили: 1 раз

Re: Радиоприемник Орбита-2

#91

#91 Сообщение Peternew » 10 авг 2022, 13:20

Тоже купил на Авито модель не ранее 1973 года выпуска, вскрывалась, чуть обломан один "флажок" , с начала КВ диапазона и почти до конца возбуд, может надо электролиты и флажок заменить.
Днем что-то на тюркском языке поймал... Радует.Изображение

PS .Имеет ли смысл вернуть обратно Т2 (т.к. разработчики съэкономили этот транзистор) , что был в стабилизаторе напряжения, кроме оставшегося стабистора 7-ге1?

Аватара пользователя
svk
Сообщения: 4707
Зарегистрирован: 27 май 2019, 18:14
Откуда: Гурьевск (Нойхаузен)
Благодарил (а): 9 раз
Поблагодарили: 642 раза

Re: Радиоприемник Орбита-2

#92

#92 Сообщение svk » 10 авг 2022, 14:37

Peternew писал(а):
10 авг 2022, 13:20
Имеет ли смысл вернуть обратно Т2 (т.к. разработчики съэкономили этот транзистор) , что был в стабилизаторе напряжения, кроме оставшегося стабистора 7-ге1?
А смысл, если без него он отлично работает.

KareDany
Сообщения: 19
Зарегистрирован: 06 авг 2022, 15:28
Благодарил (а): 26 раз
Поблагодарили: 6 раз

Re: Радиоприемник Орбита-2

#93

#93 Сообщение KareDany » 10 авг 2022, 17:12

Доброе утро, друзья
У меня есть два похожих радиоприемника: Орбита 2 (версия 2) и Taíno 74 (Орбита 2, сборка на Кубе), в обоих нет транзистора стабилизатора напряжения, только стабилитрон 7ГЕ1А. Этот стабилитрон занимает место C27 на обеих печатных платах, и похоже, что он никогда не был на своем первоначальном месте.
Контакты 2 и 3, 11 и 12 переключателя диапазонов были припаяны с тех пор, как радиоприемник попал ко мне в руки, поэтому он работал только на средних волнах (СВ), на этой печатной плате много флюса от припоя в процессе производства из этого, я ищу изопропиловый спирт, чтобы очистить его, с уважением

Аватара пользователя
svk
Сообщения: 4707
Зарегистрирован: 27 май 2019, 18:14
Откуда: Гурьевск (Нойхаузен)
Благодарил (а): 9 раз
Поблагодарили: 642 раза

Re: Радиоприемник Орбита-2

#94

#94 Сообщение svk » 10 авг 2022, 17:35

KareDany писал(а):
10 авг 2022, 17:12
я ищу изопропиловый спирт
Лучше кубинским ромом. Шутка. На средних волнах, наверное, много станций из США?

KareDany
Сообщения: 19
Зарегистрирован: 06 авг 2022, 15:28
Благодарил (а): 26 раз
Поблагодарили: 6 раз

Re: Радиоприемник Орбита-2

#95

#95 Сообщение KareDany » 11 авг 2022, 03:23

Привет из Гаваны.
Вот прилагаю фото стабилитрона, как видите он стоит на месте С27, такой с завода шел. Куда делся стабилитрон там ничего нет. На фото видно, что транзистор усилителя ПЧ сентября 1974 года, так что это примерная дата сборкyи этого радиоприемника Орбита 2.Изображение
Изображение

KareDany
Сообщения: 19
Зарегистрирован: 06 авг 2022, 15:28
Благодарил (а): 26 раз
Поблагодарили: 6 раз

Re: Радиоприемник Орбита-2

#96

#96 Сообщение KareDany » 17 авг 2022, 22:19

Большое спасибо за помощь, удалось отремонтировать радиоприемник Орбита 2.
Я почистил контакты ленточного переключателя спреем для очистки контактов WD-40. Также припаял тонкие лакированные провода от катушек, коротковолновые (KB) к выводу 7 переключателя и средневолновые (СВ) к выводу 9 переключателя диапазонов, также убрал замыкания, которые были на контактах (2-3, 5-6, 11-12).

Аватара пользователя
la59
Сообщения: 5836
Зарегистрирован: 01 мар 2014, 14:38
Откуда: Новочеркасск
Благодарил (а): 377 раз
Поблагодарили: 400 раз

Re: Радиоприемник Орбита-2

#97

#97 Сообщение la59 » 18 авг 2022, 13:07

KareDany, Ну а как же демонстрация работы приёмника, интересно что там на другом конце света в радиоэфире......
Блюз это когда хорошему человеку плохо.Попса когда плохому человеку хорошо.

KareDany
Сообщения: 19
Зарегистрирован: 06 авг 2022, 15:28
Благодарил (а): 26 раз
Поблагодарили: 6 раз

Re: Радиоприемник Орбита-2

#98

#98 Сообщение KareDany » 18 авг 2022, 15:02

привет друзья
Здесь прилагаю видео радиоприемника Орбита 2, слышно Радио Энциклопедия (передаёт лёгкую инструментальную музыку), песня шведской группы ABBA

KareDany
Сообщения: 19
Зарегистрирован: 06 авг 2022, 15:28
Благодарил (а): 26 раз
Поблагодарили: 6 раз

Re: Радиоприемник Орбита-2

#99

#99 Сообщение KareDany » 18 авг 2022, 15:08

Снова привет.
Мне нужна помощь, чтобы прикрепить видео радиоприемника Орбита 2. Я не могу этого сделать, я смог только прикрепить изображения

Аватара пользователя
ДедФеном
Сообщения: 8436
Зарегистрирован: 26 июл 2015, 22:16
Откуда: Харьков
Благодарил (а): 2966 раз
Поблагодарили: 1471 раз

Re: Радиоприемник Орбита-2

#100

#100 Сообщение ДедФеном » 18 авг 2022, 15:10

Если видео с Ютуба , просто вставте ссылку в сообшение и видео само вставится в это сообщение.
Последний раз редактировалось ДедФеном 18 авг 2022, 15:11, всего редактировалось 1 раз.
Ні це не зброя це мирний механізм
І в ньом транзистори і лампи
І возростає оптімізм далеко ми пишли від мавпи...

Ответить