Сброс есть. И есть установка порога, при достижении которого вкл или откл исполнительное устройство, например эл.привод намотки.novosibiretc писал(а): ↑17 янв 2022, 11:18овеновский счетчик СИ-8:
Нет сброса в ноль, нет начальной предустановки числа или это "додумывается" пользователем?
|
|
Прошу помощи с жёсткой логикой
- xman
- Сообщения: 1566
- Зарегистрирован: 21 янв 2015, 15:37
- Откуда: Алексей, г. Вологда
- Благодарил (а): 54 раза
- Поблагодарили: 93 раза
- Контактная информация:
Re: Прошу помощи с жёсткой логикой
- Потапыч
- Сообщения: 2774
- Зарегистрирован: 13 авг 2015, 11:52
- Благодарил (а): 218 раз
- Поблагодарили: 100 раз
Re: Прошу помощи с жёсткой логикой
Глеб, сами точили или заказывали? Если не секрет, откуда такая симпатичная ручка?
Ищу блоки УВ, УЗ и входной трансформатор УВ к STM210. Верхние экраны от ГЗ и ГВ и крышку блока головок к STM310.
- Потапыч
- Сообщения: 2774
- Зарегистрирован: 13 авг 2015, 11:52
- Благодарил (а): 218 раз
- Поблагодарили: 100 раз
Re: Прошу помощи с жёсткой логикой
xman, Так он денег стоит!!!! Человек не от хорошей жизни посменно работает! Собачья работа, особенно, по ночам! Потому и сам сооружает, что бы с минимальными затратами.
Ищу блоки УВ, УЗ и входной трансформатор УВ к STM210. Верхние экраны от ГЗ и ГВ и крышку блока головок к STM310.
- Борисович
- Сообщения: 3692
- Зарегистрирован: 13 дек 2016, 14:22
- Откуда: Тверская область
- Благодарил (а): 295 раз
- Поблагодарили: 902 раза
Re: Прошу помощи с жёсткой логикой
Потапыч, а вот это крайне спорное утверждение.Зачастую проще заработать на основной работе или халтуре и купить что,то нормальное.Здесь это к МЕХАНИЧЕСКОМУ счётчику применительно. А не городить какие то костыли ,для намотки каждой катушки.Вот станок намоточный,он нужен если одинаковые катушки сотнями мотать.Настроил и мотаешь.При единичном изготовлении РАЗНЫХ катушек укладчики и натяжники провода не нужны,а электропривод вреден.А вот механический счётчик обязателен.


Кстати измерительная техника у Глеба ,ну просто весьма крута
Последний раз редактировалось Борисович 17 янв 2022, 15:26, всего редактировалось 1 раз.
- torneb
- Сообщения: 600
- Зарегистрирован: 20 ноя 2016, 18:39
- Откуда: Минск
- Благодарил (а): 55 раз
- Поблагодарили: 96 раз
Re: Прошу помощи с жёсткой логикой
да ладно.
если городить на контроллере - три детали надо (кроме 3-5-х резисторов) - энкодер,контроллер,вторая кнопка (для записи если надо сохранить значение между сеансами) и индикатор.Все.Софтина пишется за полчаса с перекуром..Могу схему набросать и написать, если захочет..
У каждого свой путь, свой позор и своя слава...
- Глеб
- Сообщения: 1303
- Зарегистрирован: 23 янв 2017, 13:47
- Откуда: Московская область
- Благодарил (а): 150 раз
- Поблагодарили: 258 раз
- Контактная информация:
Re: Прошу помощи с жёсткой логикой
По порядку.
Ничего не заказывал и даже не точил - всё на коленке, оси из 200-х гвоздей. Если что-то и подтачивал, то зажимал в патрон дрели и делал что нужно об наждак или гравер - даже токарный не запускал. Посадочные места под подшипники - коронкнами разных диаметров, сами подшипники выбил из обломков какой-то бытовухи. Ручка от снаряжателя охотничьих патронов.
Управился с механикой за один вечер, теперь надо счётчик. На беспаечной ("втыковой") макетке всё получилось, надо перенести на "паечную". Счётчик работает как задумано - в обе стороны, причём обратно ниже 000 не считает) По кнопке Сброс грузит нули либо предустановленное число с трёх десятичных BCD-переключателей. Индикаторы вакуумно-люминесцентные ИВ-6. Капитальную плату делать не буду, соберу культурно на макетке и оставлю так.
Дело вообще не в затратах, а в наличии под руками всего необходимого. Да, можно заказать счётчик из Китая и сидеть ждать его месяц, но я так не люблю. Всегда стараюсь ориентироваться на то, что есть под рукой вот прямо сейчас, в момент принятия решения. Достать что нужно, разложить на столе, прикинуть в уме как всё это состыкуется, и в бой) Чтоб не заказывать/ждать, не тащиться в город и т.п. По этой причине я никогда не выбрасываю никакую технику - всё кидаю на чердак) Столько раз выручало уже...
З.Ы. И да, контроллеры это безусловно здОрово, но я не сторонник применения их на каждый чих. Нельзя отучаться мыслить ЛОГИЧЕСКИ.
Равно как и отучаться мыслить вообще, полагаясь в этом каждом чихе на Алиэкспресс. Ещё один плюс - думая своей головой, получите сразу то, что нужно именно вам, а не будете мучительно приспосабливать под свои нужды плоды чьего-то больного китайского воображения)
Ничего не заказывал и даже не точил - всё на коленке, оси из 200-х гвоздей. Если что-то и подтачивал, то зажимал в патрон дрели и делал что нужно об наждак или гравер - даже токарный не запускал. Посадочные места под подшипники - коронкнами разных диаметров, сами подшипники выбил из обломков какой-то бытовухи. Ручка от снаряжателя охотничьих патронов.
Управился с механикой за один вечер, теперь надо счётчик. На беспаечной ("втыковой") макетке всё получилось, надо перенести на "паечную". Счётчик работает как задумано - в обе стороны, причём обратно ниже 000 не считает) По кнопке Сброс грузит нули либо предустановленное число с трёх десятичных BCD-переключателей. Индикаторы вакуумно-люминесцентные ИВ-6. Капитальную плату делать не буду, соберу культурно на макетке и оставлю так.
Дело вообще не в затратах, а в наличии под руками всего необходимого. Да, можно заказать счётчик из Китая и сидеть ждать его месяц, но я так не люблю. Всегда стараюсь ориентироваться на то, что есть под рукой вот прямо сейчас, в момент принятия решения. Достать что нужно, разложить на столе, прикинуть в уме как всё это состыкуется, и в бой) Чтоб не заказывать/ждать, не тащиться в город и т.п. По этой причине я никогда не выбрасываю никакую технику - всё кидаю на чердак) Столько раз выручало уже...
З.Ы. И да, контроллеры это безусловно здОрово, но я не сторонник применения их на каждый чих. Нельзя отучаться мыслить ЛОГИЧЕСКИ.
Равно как и отучаться мыслить вообще, полагаясь в этом каждом чихе на Алиэкспресс. Ещё один плюс - думая своей головой, получите сразу то, что нужно именно вам, а не будете мучительно приспосабливать под свои нужды плоды чьего-то больного китайского воображения)
Последний раз редактировалось Глеб 17 янв 2022, 16:58, всего редактировалось 1 раз.
I tolerate the present by living in the past
- Борисович
- Сообщения: 3692
- Зарегистрирован: 13 дек 2016, 14:22
- Откуда: Тверская область
- Благодарил (а): 295 раз
- Поблагодарили: 902 раза
Re: Прошу помощи с жёсткой логикой
Глеб, Круто,отбрил всех.Своя АРГУМЕНТИРОВАННАЯ и поддержанная практикой точка зрения- это весьма важно
- Потапыч
- Сообщения: 2774
- Зарегистрирован: 13 авг 2015, 11:52
- Благодарил (а): 218 раз
- Поблагодарили: 100 раз
Re: Прошу помощи с жёсткой логикой
Глеб, Я подшипники сажу в отверстия, которые развворачиваю развертками. Если такого размера развертки нет, то у меня есть развертки конусные от 5мм и до 35мм, а может и больше, уже не помню. А вот сверлами или фрезами, у меня никак не получается, они болтаются. А посадка подшипника должна быть скользящей, то есть несколько микрон. я даже с деревом так поступаю. хотя встречал и впаянные подшипники. Я о детальках для станка Универсаль? Хорошо, когда есть место куда слаживать.... А у меня и есть какое то место, но все равно приходитится что то выбрасывать, а потом это выброшенное, сразу требуется. А все держать просто невозможно. А какой у вас токарный?
Ищу блоки УВ, УЗ и входной трансформатор УВ к STM210. Верхние экраны от ГЗ и ГВ и крышку блока головок к STM310.
- Потапыч
- Сообщения: 2774
- Зарегистрирован: 13 авг 2015, 11:52
- Благодарил (а): 218 раз
- Поблагодарили: 100 раз
Re: Прошу помощи с жёсткой логикой
Борисович, А намоточныых станков должно быть много и разных, я имею ввиду, для хобби. Я очень мало, что в жизни делал в нескольких экземплярах, разве, что декодеры ПАЛ и Синклеры. И то, декодеров может несколько десятков(кабельное ТВ), а Синклеров штук 5-6 и все по разной схемотехнике. Для маленьких катушек(контура ВЧ. ПЧ,входные, согласующие трансформаторы, катушки громкоговорителей, шунты) у меня станочек УНРЛ, с велосипедным счетчиком, но зато можно с редуктором, а можно напрямую. Для больших трансформаторов, побольше, с редуктором на три скорости и мотором. Ось 10 мм с опорой с противоположной стороны. Я могу двумя руками укладывать провод до 1,5мм. Может и больше, но не приходилось. А для ответственных вещей, согласующие, выходные, моталка с виткоукладывателем. есть еще станок для намотки Универсаль и тороидов. А есть в планах еще один сделать.
Ищу блоки УВ, УЗ и входной трансформатор УВ к STM210. Верхние экраны от ГЗ и ГВ и крышку блока головок к STM310.
- Борисович
- Сообщения: 3692
- Зарегистрирован: 13 дек 2016, 14:22
- Откуда: Тверская область
- Благодарил (а): 295 раз
- Поблагодарили: 902 раза
Re: Прошу помощи с жёсткой логикой
Потапыч, А для много и разных,надо много места и разного.
А если места мало,то приходится придумывать разные технологии.А спецприспособления, которые только для весьма частого использования.
А с киянкой можно и 2 и 3 мм мотать,и хорошо получается.Надо только колотить правильно.
Подшипники,кстати припаивать для тихоходного и малонагруженого вполне уместно.Можно даже прямо на плоское основание,без посадочного отверстия.Можно несколько стоек поставить для фиксации.Если паять ПОС-61,не отпускаются
А если места мало,то приходится придумывать разные технологии.А спецприспособления, которые только для весьма частого использования.
А с киянкой можно и 2 и 3 мм мотать,и хорошо получается.Надо только колотить правильно.
Подшипники,кстати припаивать для тихоходного и малонагруженого вполне уместно.Можно даже прямо на плоское основание,без посадочного отверстия.Можно несколько стоек поставить для фиксации.Если паять ПОС-61,не отпускаются
- Потапыч
- Сообщения: 2774
- Зарегистрирован: 13 авг 2015, 11:52
- Благодарил (а): 218 раз
- Поблагодарили: 100 раз
Re: Прошу помощи с жёсткой логикой
Вопрос не в отпускании, для этого нужно под тысячу градусов и очень долго, сутки, хотя бы, а в том, что они смазаны и если нагреть, то эта смазка испортится, а если ее вымыть, то металл станет сухим, что то же очень плохо. Подшипники нежелательно мыть, бензином. ацетоном и пр. Лучше всего, керосином. Ну не мне вам рассказывать. Да можно и нагружать. В редукторе то ли САУ какой то, то танка, в редукторе привода траков, подшипники были посаженвы в омедненное посадочное место с таким толстым слоем меди, несколько десятков микрон, а возможно и больше. А нагрузка там очень немалая. И я не заметил, что бы место как то изменило свою поверхность.
Ищу блоки УВ, УЗ и входной трансформатор УВ к STM210. Верхние экраны от ГЗ и ГВ и крышку блока головок к STM310.
- Борисович
- Сообщения: 3692
- Зарегистрирован: 13 дек 2016, 14:22
- Откуда: Тверская область
- Благодарил (а): 295 раз
- Поблагодарили: 902 раза
Re: Прошу помощи с жёсткой логикой
Потапыч, Под припайкой подшипников имел в виду примерно вот это.Остатки какой то самоделки,ещё с сыном делали,когда он в школе учился.А вот с просто припаяным на плоскость подшипником не сохранилось 

- Потапыч
- Сообщения: 2774
- Зарегистрирован: 13 авг 2015, 11:52
- Благодарил (а): 218 раз
- Поблагодарили: 100 раз
Re: Прошу помощи с жёсткой логикой
Борисович, акой интересный редуктор слева! никогда такого не встречал. Большие, конечно видел, но такого небольшого, нет. Я очень большой любитель всевозможных передач. У меня их очень много всевозможных. С приборов, танков, самолетов, ракет, спутников. Я много встречал, когда подшипники стопорятся кернением по кругу,понятно, не обоймы, причем в даже в военной технике.
Ищу блоки УВ, УЗ и входной трансформатор УВ к STM210. Верхние экраны от ГЗ и ГВ и крышку блока головок к STM310.
-
ssmmiill
- Сообщения: 3018
- Зарегистрирован: 19 июн 2010, 11:44
- Откуда: Минская обл.
- Благодарил (а): 148 раз
- Поблагодарили: 199 раз
- Глеб
- Сообщения: 1303
- Зарегистрирован: 23 янв 2017, 13:47
- Откуда: Московская область
- Благодарил (а): 150 раз
- Поблагодарили: 258 раз
- Контактная информация:
Re: Прошу помощи с жёсткой логикой
Именно КМОП - с целью экономии электричества, чтобы могли питаться час-другой от ионистора, не теряя результат счёта.
Универсал первый
I tolerate the present by living in the past
Re: Прошу помощи с жёсткой логикой
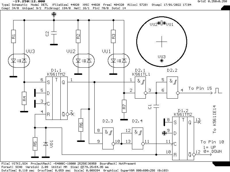
Уважаемый Глеб! По-видимому, для Вас зта информация уже не актуальна, но ознакомьтесь, пожалуйста, со схемкой, которую мне удалось "набредить".
Ставилась задача создать схему, по возможности, защищённую от ложных срабатываний. Использован принцип блокировки срабатываний (до достижения определённого условия) оптодатчиков после отправки на К561ИЕ14 счётного импульса.
Прямой счёт (намотка).
Счётный импульс формируется от датчика VU1 на логике D2.1 и D2.2. При засветке фотодиода VU1, появившаяся на входе D2.1 лог "1", переводит этот элемент в состояние лог."0" (на второй вход этого элемента подаётся лог."1" от триггера D1.1 разрешая работу элемента), а на выходе элемента D2.2 устанавливается лог."1", т.е. на вход "С" ИЕ14 подаётся импульс меняющий состояние счётчика. Исчезающий потенциал с датчика переводит D2.1 и D2.2 в противоположное состояние и лог."1" на выходе D2.1, через С1, обнуляет по входам "R" триггеры D1.1 и D1.2, тем самым блокируя срабатывание логики от сигналов с датчиков VU1 и VU2. При дальнейшем повороте диска сигнал с датчика VU2 никак не изменяет положение триггера D1.2. При этом возможно некоторое (вплоть до +/- 180 градусов) поворачивание вала станка без срабатывания схемы. Это может быть удобно, если требуется несколько поправить намотку: скажем снять нахлёст витков.
При дальнейшем повороте диска щель на диске доходит до оптопары VU3 и сигнал с датчика устанавливает (по входу "S") триггер D1.1 в состояние лог."1", тем самым разрешая работу датчиков VU1 и VU2.
Обратный счёт (сматывание витков).
При вращении диска в противоположную сторону щель на диске первым вызывает срабатывание оптопары VU2. Положительный перепад напряжения на выходе D2.4 переводит триггер D1.2 в состояние лог."1" и на вход "+/-" счётчика ИЕ14 подаётся лог."0" тем самым переводя этот счётчик в режим вычитания. При дальнейшем вращении диска срабатывает сигнал с оптопары VU1 и импульс на выходе D2.2 приведёт к вычитанию данных в счётчике. При исчезновении этого сигнала снова блокируется работа логики от оптопар VU1 и VU2, а триггер D2.2 (по входу "R")устанавливается в "0". При продолжении вращения в том же направлении вся описанная процедура повторяется.
Resume: Если первым срабатывает датчик от VU1, то счёчик приращивает показания. Если первым срабатывает датчик VU2, а затем датчик VU1, то на счётчике уменьшается код. За один поворот диска вырабатывается один счётный импульс.
-------------------------
На рисунке показан диск где кружками показаны расположения оптопар и прямоугольником отображено отверстие (щель) в диске. Щель не должна одновременно перекрывать оба отверстия оптопар.
-------------------------
При необходимости более радикально корректировать намотку ( с поворотом вала более чем на +\- 180 градусов) можно заблокировать логику, подав через переключатель напржение питания на вывод "R" триггера D1.1 (на схеме не показано!).
-------------------------
Глеб,вроде бы микросхема ИЕ6 в логике КМОП отсутствует. Вы ошиблись?
Прим.: возможны варианты схемы. Если необходимо, то могу графически отобразить все процессы в схеме.
Ваше мнение!
Может быть нагляднее в чёрно-белом варианте?

Ставилась задача создать схему, по возможности, защищённую от ложных срабатываний. Использован принцип блокировки срабатываний (до достижения определённого условия) оптодатчиков после отправки на К561ИЕ14 счётного импульса.
Прямой счёт (намотка).
Счётный импульс формируется от датчика VU1 на логике D2.1 и D2.2. При засветке фотодиода VU1, появившаяся на входе D2.1 лог "1", переводит этот элемент в состояние лог."0" (на второй вход этого элемента подаётся лог."1" от триггера D1.1 разрешая работу элемента), а на выходе элемента D2.2 устанавливается лог."1", т.е. на вход "С" ИЕ14 подаётся импульс меняющий состояние счётчика. Исчезающий потенциал с датчика переводит D2.1 и D2.2 в противоположное состояние и лог."1" на выходе D2.1, через С1, обнуляет по входам "R" триггеры D1.1 и D1.2, тем самым блокируя срабатывание логики от сигналов с датчиков VU1 и VU2. При дальнейшем повороте диска сигнал с датчика VU2 никак не изменяет положение триггера D1.2. При этом возможно некоторое (вплоть до +/- 180 градусов) поворачивание вала станка без срабатывания схемы. Это может быть удобно, если требуется несколько поправить намотку: скажем снять нахлёст витков.
При дальнейшем повороте диска щель на диске доходит до оптопары VU3 и сигнал с датчика устанавливает (по входу "S") триггер D1.1 в состояние лог."1", тем самым разрешая работу датчиков VU1 и VU2.
Обратный счёт (сматывание витков).
При вращении диска в противоположную сторону щель на диске первым вызывает срабатывание оптопары VU2. Положительный перепад напряжения на выходе D2.4 переводит триггер D1.2 в состояние лог."1" и на вход "+/-" счётчика ИЕ14 подаётся лог."0" тем самым переводя этот счётчик в режим вычитания. При дальнейшем вращении диска срабатывает сигнал с оптопары VU1 и импульс на выходе D2.2 приведёт к вычитанию данных в счётчике. При исчезновении этого сигнала снова блокируется работа логики от оптопар VU1 и VU2, а триггер D2.2 (по входу "R")устанавливается в "0". При продолжении вращения в том же направлении вся описанная процедура повторяется.
Resume: Если первым срабатывает датчик от VU1, то счёчик приращивает показания. Если первым срабатывает датчик VU2, а затем датчик VU1, то на счётчике уменьшается код. За один поворот диска вырабатывается один счётный импульс.
-------------------------
На рисунке показан диск где кружками показаны расположения оптопар и прямоугольником отображено отверстие (щель) в диске. Щель не должна одновременно перекрывать оба отверстия оптопар.
-------------------------
При необходимости более радикально корректировать намотку ( с поворотом вала более чем на +\- 180 градусов) можно заблокировать логику, подав через переключатель напржение питания на вывод "R" триггера D1.1 (на схеме не показано!).
-------------------------
Глеб,вроде бы микросхема ИЕ6 в логике КМОП отсутствует. Вы ошиблись?
Прим.: возможны варианты схемы. Если необходимо, то могу графически отобразить все процессы в схеме.
Ваше мнение!
Может быть нагляднее в чёрно-белом варианте?

- xman
- Сообщения: 1566
- Зарегистрирован: 21 янв 2015, 15:37
- Откуда: Алексей, г. Вологда
- Благодарил (а): 54 раза
- Поблагодарили: 93 раза
- Контактная информация:
Re: Прошу помощи с жёсткой логикой
Для намоточника может и сойдет... но если например при переборке ДВС промыть детали керосином, мотор с большой вероятностью заклинит. А после бензина всё нормально.
- xman
- Сообщения: 1566
- Зарегистрирован: 21 янв 2015, 15:37
- Откуда: Алексей, г. Вологда
- Благодарил (а): 54 раза
- Поблагодарили: 93 раза
- Контактная информация:
- владлен
- Сообщения: 4339
- Зарегистрирован: 14 окт 2011, 19:46
- Откуда: Кемерово
- Благодарил (а): 63 раза
- Поблагодарили: 121 раз
Re: Прошу помощи с жёсткой логикой
но если например при переборке ДВС промыть детали керосином, мотор с большой вероятностью заклинит.
Спасибо!
- Глеб
- Сообщения: 1303
- Зарегистрирован: 23 янв 2017, 13:47
- Откуда: Московская область
- Благодарил (а): 150 раз
- Поблагодарили: 258 раз
- Контактная информация:
Re: Прошу помощи с жёсткой логикой
Diogen, спасибо, интересная схема! Положу в копилочку))
Я уже сделал "классический" задатчик на двух оптопарах; перепробовал несколько схем преобразователей кода в счётную последовательность (о чём в начале и спрашивал); самой на мой взгляд оптимальной и простой получилась симметричная на двух 2-тактных триггерах - половинках одной 176ТМ2. С меня схема, как только доведу всё до ума.
http://radiohistory.ru/media/counter_load.mp4
Я уже сделал "классический" задатчик на двух оптопарах; перепробовал несколько схем преобразователей кода в счётную последовательность (о чём в начале и спрашивал); самой на мой взгляд оптимальной и простой получилась симметричная на двух 2-тактных триггерах - половинках одной 176ТМ2. С меня схема, как только доведу всё до ума.
На этот случай есть 74HC192, но поскольку буржуи никогда не умели разрабатывать нормальные системы обозначений, для советского человека в сто раз информативнее звучит ИЕ6 - десятичный реверсивный счётчик с предустановкой. А со своими бестолковыми цифирями буржуи пусть мучаются сами!
Обкатано на цифровой шкале, устраивал так предустановку вычета ПЧ:
http://radiohistory.ru/media/counter_load.mp4
I tolerate the present by living in the past
- xman
- Сообщения: 1566
- Зарегистрирован: 21 янв 2015, 15:37
- Откуда: Алексей, г. Вологда
- Благодарил (а): 54 раза
- Поблагодарили: 93 раза
- Контактная информация:
Re: Прошу помощи с жёсткой логикой
Это в основном проблемы ДВС где цилиндры с никасиловым покрытием. Стальные, чугунные, и бронзовые детали механики не особо чувствительны к керосину, особенно если после него сполоснуть в бензине или солярке, перед окончательной сборкой и смазкой.
-
Шишкин В.А.
- Сообщения: 168
- Зарегистрирован: 30 мар 2013, 01:17
- Откуда: Краснодар
- Благодарил (а): 1 раз
- Поблагодарили: 9 раз
Re: Прошу помощи с жёсткой логикой
В восмидесятых, заказчику, решал эту задачу. Причем с учетом множественных "елозиней" катушки по одному датчику - клиент был очень привиредливый ... На днях, чтоб не спится, осваивал Протеус в т.ч. и на этой схеме.
У моего варианта только одно требование к датчику вращения: отсутствие "наложений" сигналов.

В принципе могу и сам проект выслать на почту или в личку ...
У моего варианта только одно требование к датчику вращения: отсутствие "наложений" сигналов.

В принципе могу и сам проект выслать на почту или в личку ...
Хочешь чтобы твой магнитофон был лучшим? - Не слушай других магнитофонов!
-
ssmmiill
- Сообщения: 3018
- Зарегистрирован: 19 июн 2010, 11:44
- Откуда: Минская обл.
- Благодарил (а): 148 раз
- Поблагодарили: 199 раз
Re: Прошу помощи с жёсткой логикой
Вот именно от версии датчика и нужно отталкиваться: с наложением сигналов или нет., ну или наоборот от аппаратного исполнения изготавливать датчик.
Андрей
- Глеб
- Сообщения: 1303
- Зарегистрирован: 23 янв 2017, 13:47
- Откуда: Московская область
- Благодарил (а): 150 раз
- Поблагодарили: 258 раз
- Контактная информация:
Re: Прошу помощи с жёсткой логикой
Спасибо! Датчик уже с наложением, и преобразование оказалось даже проще.
Процесс сборки идёт, правда медленнее чем хотелось бы) За обещанный вечер сделать не удалось, но зато конструкция получается намного более обстоятельная, чем планировалось.
Полностью готова плата индикации с минусовым выпрямителем:

Компоновка предполагается примерно такая:

Сам счётчик на плате почти собран, остался формирователь, схемка гашения лишних нулей и прочая обслуга:

Процесс сборки идёт, правда медленнее чем хотелось бы) За обещанный вечер сделать не удалось, но зато конструкция получается намного более обстоятельная, чем планировалось.
Полностью готова плата индикации с минусовым выпрямителем:
Компоновка предполагается примерно такая:
Сам счётчик на плате почти собран, остался формирователь, схемка гашения лишних нулей и прочая обслуга:
I tolerate the present by living in the past
Re: Прошу помощи с жёсткой логикой
Глеб, в Вашу "копилку" ещё одна схемка (если возражать не будете, разумеется).
Схема формирования счётных импульсов для счётчика 74HC192. Использован тот же принцип что и в предыдущей схеме. Отработавший счётный импульс блокирует как собственное повторное срабатывание датчика, так и срабатывание второго датчика. Разблокировка происходит после поворота диска на 180 градусов. Какой датчик (на сложение или вычитание) первым сработает тот и выдаст счётный импульс на счётчик.
Проще схемку придумать не могу!
К561ТЛ1 можно заменить на К561ЛА7, но использование ТЛ1 предпочтительнее, так как логика с триггерами Шмитта на входе лучше защищена от помех и ложных срабатываний.
Очень интересно было бы глянуть на Вашу схему формирования счётных импульсов!

Схема формирования счётных импульсов для счётчика 74HC192. Использован тот же принцип что и в предыдущей схеме. Отработавший счётный импульс блокирует как собственное повторное срабатывание датчика, так и срабатывание второго датчика. Разблокировка происходит после поворота диска на 180 градусов. Какой датчик (на сложение или вычитание) первым сработает тот и выдаст счётный импульс на счётчик.
Проще схемку придумать не могу!
К561ТЛ1 можно заменить на К561ЛА7, но использование ТЛ1 предпочтительнее, так как логика с триггерами Шмитта на входе лучше защищена от помех и ложных срабатываний.
Очень интересно было бы глянуть на Вашу схему формирования счётных импульсов!

- Глеб
- Сообщения: 1303
- Зарегистрирован: 23 янв 2017, 13:47
- Откуда: Московская область
- Благодарил (а): 150 раз
- Поблагодарили: 258 раз
- Контактная информация:
Re: Прошу помощи с жёсткой логикой
Спасибо, для такого задатчика действительно проще не будет!

Если нужны положительные импульсы счёта, то берём их с прямых выходов триггера (Q1 и Q2).
Счётчик в процессе доводки до ума:

На ЛЕ6 схемка гашения лишних нулей во 2-м и 3-м разрядах.
Питатель:



Надо будет согнуть из пластмассы симпатичный кожух.
У меня получился классический задатчик на двух фотоэлементах; наиболее простой преобразователь кода к нему выглядит так:

Если нужны положительные импульсы счёта, то берём их с прямых выходов триггера (Q1 и Q2).
Счётчик в процессе доводки до ума:
На ЛЕ6 схемка гашения лишних нулей во 2-м и 3-м разрядах.
Питатель:
Надо будет согнуть из пластмассы симпатичный кожух.
Последний раз редактировалось Глеб 21 янв 2022, 20:02, всего редактировалось 3 раза.
I tolerate the present by living in the past
- Потапыч
- Сообщения: 2774
- Зарегистрирован: 13 авг 2015, 11:52
- Благодарил (а): 218 раз
- Поблагодарили: 100 раз
Re: Прошу помощи с жёсткой логикой
Глеб, Я так понял.что у вас дедушка на МГТФ ной фабрике работает?
Ищу блоки УВ, УЗ и входной трансформатор УВ к STM210. Верхние экраны от ГЗ и ГВ и крышку блока головок к STM310.
- Глеб
- Сообщения: 1303
- Зарегистрирован: 23 янв 2017, 13:47
- Откуда: Московская область
- Благодарил (а): 150 раз
- Поблагодарили: 258 раз
- Контактная информация:
Re: Прошу помощи с жёсткой логикой
Последний раз редактировалось Глеб 21 янв 2022, 19:35, всего редактировалось 1 раз.
I tolerate the present by living in the past
- Потапыч
- Сообщения: 2774
- Зарегистрирован: 13 авг 2015, 11:52
- Благодарил (а): 218 раз
- Поблагодарили: 100 раз
Re: Прошу помощи с жёсткой логикой
Глеб, Да, меня бы жаба задавила, такой провод и на вторичку..... Ну очень жалко. Не скажу, что у меня его нет, но трансформаторы мне жалко им мотать. Лакированный провод с любой катушки можно смотать....
Забыл, все хотел спросить, а можно фото плат с обратной стороны. Я как посмотрю, как все плотно на макетке расставлено, только представляю, что творится на обратной стороне.....
Забыл, все хотел спросить, а можно фото плат с обратной стороны. Я как посмотрю, как все плотно на макетке расставлено, только представляю, что творится на обратной стороне.....
Ищу блоки УВ, УЗ и входной трансформатор УВ к STM210. Верхние экраны от ГЗ и ГВ и крышку блока головок к STM310.
- Борисович
- Сообщения: 3692
- Зарегистрирован: 13 дек 2016, 14:22
- Откуда: Тверская область
- Благодарил (а): 295 раз
- Поблагодарили: 902 раза
Re: Прошу помощи с жёсткой логикой
Потапыч, Про МГТФ не скажу,всего пару раз,как Глеб использовал.
А вот ПЭЛШО в торах использовал часто.
И ЛЭШО тоже,в коротких вспомогательных обмотках,и не только в торах,что бы с изготовлением лишних выводов не морочиться.Это опять же,у кого чего излишки имеются
А вот ПЭЛШО в торах использовал часто.
И ЛЭШО тоже,в коротких вспомогательных обмотках,и не только в торах,что бы с изготовлением лишних выводов не морочиться.Это опять же,у кого чего излишки имеются
- Потапыч
- Сообщения: 2774
- Зарегистрирован: 13 авг 2015, 11:52
- Благодарил (а): 218 раз
- Поблагодарили: 100 раз
Re: Прошу помощи с жёсткой логикой
Борисович, И ПЭЛШО, ЛЭШО, только на катушки и входные, переходные или выходные трансформаторы, где нужно поменьше емкость. И больше 0,2 мм , вообще дефицит.
Ищу блоки УВ, УЗ и входной трансформатор УВ к STM210. Верхние экраны от ГЗ и ГВ и крышку блока головок к STM310.
- Борисович
- Сообщения: 3692
- Зарегистрирован: 13 дек 2016, 14:22
- Откуда: Тверская область
- Благодарил (а): 295 раз
- Поблагодарили: 902 раза
Re: Прошу помощи с жёсткой логикой
Потапыч, был как то довольно большой и не совсем понятный по назначению трансформатор,где первичка была намотана ПЭЛШО 1,25 мм.Не ПБО,ПБД,ПСД и т.п.Где то немного такого оставалось.Вторичка была на малое напряжение шиной ПБД.
Так,что такое и промышленность делала
Так,что такое и промышленность делала
- Потапыч
- Сообщения: 2774
- Зарегистрирован: 13 авг 2015, 11:52
- Благодарил (а): 218 раз
- Поблагодарили: 100 раз
Re: Прошу помощи с жёсткой логикой
Борисович, Да, такой провод в трансформаторах встречал только в очень крутой военной технике! Имеется ввиду, силовых. Сигнальные, да, вдоль и поперек.Но сколько там его...
Ищу блоки УВ, УЗ и входной трансформатор УВ к STM210. Верхние экраны от ГЗ и ГВ и крышку блока головок к STM310.
-
Шишкин В.А.
- Сообщения: 168
- Зарегистрирован: 30 мар 2013, 01:17
- Откуда: Краснодар
- Благодарил (а): 1 раз
- Поблагодарили: 9 раз
Re: Прошу помощи с жёсткой логикой
Глеб, я тут глянул Вашу схему,- есть некрасивость: при "елозинеи" (термин моего заказчика означает движении туда-сюда) над датчиками.
Поясню:
Нумеруем состояния от 0 до 4, где
№ 0 - сост. датчиков 00,
№ 1- 10,
№ 2- 11,
№ 3- 01.
№ 4- 00
Так вот:
1) при последовательности 1>2>(1>2) происходит "счет" неправильнго сигнала. (ложные отматывания)
2) при последовательности 1>2>(3>2) происходит "счет" правильнго сигнала. (ложные натывания)
Та же "песТня" при обратном "вращении.
Поясню:
Нумеруем состояния от 0 до 4, где
№ 0 - сост. датчиков 00,
№ 1- 10,
№ 2- 11,
№ 3- 01.
№ 4- 00
Так вот:
1) при последовательности 1>2>(1>2) происходит "счет" неправильнго сигнала. (ложные отматывания)
2) при последовательности 1>2>(3>2) происходит "счет" правильнго сигнала. (ложные натывания)
Та же "песТня" при обратном "вращении.
Хочешь чтобы твой магнитофон был лучшим? - Не слушай других магнитофонов!
- Глеб
- Сообщения: 1303
- Зарегистрирован: 23 янв 2017, 13:47
- Откуда: Московская область
- Благодарил (а): 150 раз
- Поблагодарили: 258 раз
- Контактная информация:
Re: Прошу помощи с жёсткой логикой
Триггер двухтактный брали 176 серии? Я как только не "елозил" и не издвался, вроде не было ложных.Шишкин В.А. писал(а): ↑22 янв 2022, 17:201) при последовательности 1>2>(1>2) происходит "счет" неправильнго сигнала (ложные отматывания)
2) при последовательности 1>2>(3>2) происходит "счет" правильнго сигнала (ложные наматывания)
Конечно можно! Плата счётчика:
Плата индикаци:
С питателем думаю и так ясно: трансформатор ТП-131 2х9в, положительное плечо 5в для логики и задатчика - мостик КЦ407 и стабилизатор К1157ЕН5В, отрицательное 25 вольт для индикации - удвоитель без стабилизации, накал от третьей обмотки из МГТФ-0,07 поверх штатных вторичек. Выглядит всё в сборе так:
Надо будет сделать симпатичный кожух с окошком.
Прямой счёт:
Обратный счёт, хитрость - не идёт ниже нуля:
Загрузка предустановок, хитрость - ноль во втором разряде зажигается, если появляется третий разряд:
Последний раз редактировалось Глеб 22 янв 2022, 22:28, всего редактировалось 2 раза.
I tolerate the present by living in the past
- Потапыч
- Сообщения: 2774
- Зарегистрирован: 13 авг 2015, 11:52
- Благодарил (а): 218 раз
- Поблагодарили: 100 раз
Re: Прошу помощи с жёсткой логикой
Хороший станочек получился! Спасибо!
Я вот думаю, а в чем сермяжная правда, что в обратную сторону, меньше "0" не считает.. А если нужно отмотать, по какой то причине, больше витков, чем до "0". Как быть, в уме или вслух?
Последний раз редактировалось Потапыч 22 янв 2022, 20:04, всего редактировалось 1 раз.
Ищу блоки УВ, УЗ и входной трансформатор УВ к STM210. Верхние экраны от ГЗ и ГВ и крышку блока головок к STM310.
- Борисович
- Сообщения: 3692
- Зарегистрирован: 13 дек 2016, 14:22
- Откуда: Тверская область
- Благодарил (а): 295 раз
- Поблагодарили: 902 раза
Re: Прошу помощи с жёсткой логикой
Да уж.Пару раз пробовал монтаж на подобной плате.Что то у меня плохо получилось.Больше на таких не делал
- Потапыч
- Сообщения: 2774
- Зарегистрирован: 13 авг 2015, 11:52
- Благодарил (а): 218 раз
- Поблагодарили: 100 раз
Re: Прошу помощи с жёсткой логикой
Борисович, У меня где то есть японская, начала 60х. Стояла одной из декад в каком то их приборе.
Ищу блоки УВ, УЗ и входной трансформатор УВ к STM210. Верхние экраны от ГЗ и ГВ и крышку блока головок к STM310.
- Глеб
- Сообщения: 1303
- Зарегистрирован: 23 янв 2017, 13:47
- Откуда: Московская область
- Благодарил (а): 150 раз
- Поблагодарили: 258 раз
- Контактная информация:
Re: Прошу помощи с жёсткой логикой
Правда в том, что дойдя до нуля, вы уже смотали всю катушку
Там всё просто - заём последнего счётчика тычет нулём в линию сброса) В принципе, можно сделать блокировку этой функции, например компьютерным джампером.
Последний раз редактировалось Глеб 22 янв 2022, 20:32, всего редактировалось 1 раз.
I tolerate the present by living in the past
- Глеб
- Сообщения: 1303
- Зарегистрирован: 23 янв 2017, 13:47
- Откуда: Московская область
- Благодарил (а): 150 раз
- Поблагодарили: 258 раз
- Контактная информация:
Re: Прошу помощи с жёсткой логикой
Да, забыл сказать - счётная часть подпитывается от ионистора:
По моим прикидкам, должно хранить счёт как минимум несколько дней, испытания покажут.
По моим прикидкам, должно хранить счёт как минимум несколько дней, испытания покажут.
I tolerate the present by living in the past
- Потапыч
- Сообщения: 2774
- Зарегистрирован: 13 авг 2015, 11:52
- Благодарил (а): 218 раз
- Поблагодарили: 100 раз
Re: Прошу помощи с жёсткой логикой
Глеб, Понятно. Да вы писали о резервном хранении и я видел зеленый ионистор на плате. Как по мне, то конечно, хорошо бы на LCD, что бы автономное от какого то аккумулятора или батареек, автономное устройство, не нужно подключаться к источнику питания. Хотя, может получиться как с моим электронным штангелем, как он нужен, то батарейка обязательно разряжена.
Ищу блоки УВ, УЗ и входной трансформатор УВ к STM210. Верхние экраны от ГЗ и ГВ и крышку блока головок к STM310.
-
Шишкин В.А.
- Сообщения: 168
- Зарегистрирован: 30 мар 2013, 01:17
- Откуда: Краснодар
- Благодарил (а): 1 раз
- Поблагодарили: 9 раз
Re: Прошу помощи с жёсткой логикой
Глеб, да, триггер остался 155-й - день был тяжелый ...
Махнул - то же есть некрасивость: 1,2,(1,2) - счет правильного сигнала со второй итерации. То же и при обратном ходе.
На С триггера единичка мигает следом за соответствующим фотодиодом.
ЗЫ: Ставьте Proteus-а, ох как сильно помогает.
ЗЫЗЫ: Подумалось: наверное стоит поставить велосипедную динамку, и по полярности определять направление. Заодно и ионистор подзаряжать
Махнул - то же есть некрасивость: 1,2,(1,2) - счет правильного сигнала со второй итерации. То же и при обратном ходе.
На С триггера единичка мигает следом за соответствующим фотодиодом.
ЗЫ: Ставьте Proteus-а, ох как сильно помогает.
ЗЫЗЫ: Подумалось: наверное стоит поставить велосипедную динамку, и по полярности определять направление. Заодно и ионистор подзаряжать
- Борисович
- Сообщения: 3692
- Зарегистрирован: 13 дек 2016, 14:22
- Откуда: Тверская область
- Благодарил (а): 295 раз
- Поблагодарили: 902 раза
Re: Прошу помощи с жёсткой логикой
А вот это- весьма крутая идея.Есть минус : динамка - синхронный генератор переменного тока.Шишкин В.А. писал(а): ↑23 янв 2022, 02:56Подумалось: наверное стоит поставить велосипедную динамку, и по полярности определять направление
Глеб.Чисто практический вопрос.А может ли Ваш счётчик считать в одну сторону,при вращении катушки в разные с ручным естественно переключением.Вот это - единственный режим,который не может обеспечить механический счётчик.А иногда бывает нужно
- oldmao
- Сообщения: 6319
- Зарегистрирован: 05 фев 2011, 15:39
- Откуда: Саратовская обл.
- Благодарил (а): 151 раз
- Поблагодарили: 532 раза
Re: Прошу помощи с жёсткой логикой
Элементарно - поставить переключатель, меняющий местами выходы датчиков.
-
Шишкин В.А.
- Сообщения: 168
- Зарегистрирован: 30 мар 2013, 01:17
- Откуда: Краснодар
- Благодарил (а): 1 раз
- Поблагодарили: 9 раз
Re: Прошу помощи с жёсткой логикой
Кажется разродился ..

Хочешь чтобы твой магнитофон был лучшим? - Не слушай других магнитофонов!
- Потапыч
- Сообщения: 2774
- Зарегистрирован: 13 авг 2015, 11:52
- Благодарил (а): 218 раз
- Поблагодарили: 100 раз
Re: Прошу помощи с жёсткой логикой
Что то до меня не доходит, смысл, что от чего должно зависеть?
Ищу блоки УВ, УЗ и входной трансформатор УВ к STM210. Верхние экраны от ГЗ и ГВ и крышку блока головок к STM310.
- Борисович
- Сообщения: 3692
- Зарегистрирован: 13 дек 2016, 14:22
- Откуда: Тверская область
- Благодарил (а): 295 раз
- Поблагодарили: 902 раза
Re: Прошу помощи с жёсткой логикой
Потапыч, Вы никогда не разматывали трансформатор с горелой первичной обмоткой и сохранившейся вторичной ? С целью узнать,а сколько же там намотали авторы этого трансформатора,что бы не сильно ошибиться со вторичными напряженими которые получается после перемотки.Расчёты тут бессильны,они у каждого свои.А провод возьми и оборвись.И за хвостик который удалось найти катушка крутится в другую сторону.И приходится начинать хитрую арифметику с записями.Вот как то так
- Потапыч
- Сообщения: 2774
- Зарегистрирован: 13 авг 2015, 11:52
- Благодарил (а): 218 раз
- Поблагодарили: 100 раз
Re: Прошу помощи с жёсткой логикой
Борисович, Я вас понял, зачем. Я считаю такие вещи вручную, без станка. не доверяю, поскольку обрывается, особенно, если очень тонкий. Катушку одеваю на какое то приспособление и разматываю руками.
Ищу блоки УВ, УЗ и входной трансформатор УВ к STM210. Верхние экраны от ГЗ и ГВ и крышку блока головок к STM310.
- Борисович
- Сообщения: 3692
- Зарегистрирован: 13 дек 2016, 14:22
- Откуда: Тверская область
- Благодарил (а): 295 раз
- Поблагодарили: 902 раза
Re: Прошу помощи с жёсткой логикой
Ну очень тонкий обычно нет смысла и пытаться размотать.Разные способы срезать обмотку,не повредив катушки.
А вот когда провод от 0,2,тогда имеет смысл в непонятных случаях и посчитать
А вот когда провод от 0,2,тогда имеет смысл в непонятных случаях и посчитать
-
Шишкин В.А.
- Сообщения: 168
- Зарегистрирован: 30 мар 2013, 01:17
- Откуда: Краснодар
- Благодарил (а): 1 раз
- Поблагодарили: 9 раз
Re: Прошу помощи с жёсткой логикой
Та же версия, но причесанная и с добавкой от oldmao для Борисович:

ПРИМЕЧАНИЯ:
1) Резистор R7 на 200 ом - ошибка, должен быть 1-10 ком;
2) Переключатель SW2 "дергать" желательно не в зоне датчика (не проверял);
3) Транзистор - любой подходящий по проводимости (312, 315 ...) - это чтоб еще один корпус не ставить;
4) SW1 и диодикиБ как и индикаторы D5/6 - только для тестов симуляторе Proteus-а.

ПРИМЕЧАНИЯ:
1) Резистор R7 на 200 ом - ошибка, должен быть 1-10 ком;
2) Переключатель SW2 "дергать" желательно не в зоне датчика (не проверял);
3) Транзистор - любой подходящий по проводимости (312, 315 ...) - это чтоб еще один корпус не ставить;
4) SW1 и диодикиБ как и индикаторы D5/6 - только для тестов симуляторе Proteus-а.
Хочешь чтобы твой магнитофон был лучшим? - Не слушай других магнитофонов!

