
|
|
Судовой телефон ТАС 1М не могу подключить
-
Юрий Иванович
- Сообщения: 62
- Зарегистрирован: 16 янв 2010, 23:01
- Откуда: г. Москва
Судовой телефон ТАС 1М не могу подключить
Господа! Купил вот такой телефон для гаража. Продавец уверял, что он у него дома работал нормально. Провод подключения двухжильный. При снятой трубке слышен длинный гудок. Но при наборе номера - опять длинный гудок. В чём может быть причина?


- yuriy
- Сообщения: 7199
- Зарегистрирован: 17 сен 2009, 17:02
- Откуда: От верблюда.Москва, Окрестности Зеленограда.
- Благодарил (а): 8 раз
- Поблагодарили: 49 раз
- Контактная информация:
Re: Судовой телефон ТАС 1М не могу подключить
А у вас АТС аналоговая или цифровая. И набор импульсный или тоновый??
Эти телефоны для АТС с импульсным набором.
Если ваша АТС соответствует этому, то причиной могут быть контакты в номеронабирателе.
Эти телефоны для АТС с импульсным набором.
Если ваша АТС соответствует этому, то причиной могут быть контакты в номеронабирателе.
-
Юрий Иванович
- Сообщения: 62
- Зарегистрирован: 16 янв 2010, 23:01
- Откуда: г. Москва
Re: Судовой телефон ТАС 1М не могу подключить
АТС гибридная. Кроме этого аппарата подключил без проблем ещё два импульсных.yuriy писал(а):А у вас АТС аналоговая или цифровая. И набор импульсный или тоновый??
Эти телефоны для АТС с импульсным набором.
Если ваша АТС соответствует этому, то причиной могут быть контакты в номеронабирателе.
Попробую разобрать номеронабиратель.
- yuriy
- Сообщения: 7199
- Зарегистрирован: 17 сен 2009, 17:02
- Откуда: От верблюда.Москва, Окрестности Зеленограда.
- Благодарил (а): 8 раз
- Поблагодарили: 49 раз
- Контактная информация:
Re: Судовой телефон ТАС 1М не могу подключить
Только не трогайте центробежный регулятор скорости. Иначе при наборе будет врать безбожно.
И проверьте работу контактных групп. Там может быть три или пять контактов.
Регулировка пятиконтактного сложнее чем трех.
И фото обратной стороны номеронабирателя сделайте если не получится.
И проверьте работу контактных групп. Там может быть три или пять контактов.
Регулировка пятиконтактного сложнее чем трех.
И фото обратной стороны номеронабирателя сделайте если не получится.
-
Юрий Иванович
- Сообщения: 62
- Зарегистрирован: 16 янв 2010, 23:01
- Откуда: г. Москва
Re: Судовой телефон ТАС 1М не могу подключить
Может лучше поменять весь диск?yuriy писал(а):Только не трогайте центробежный регулятор скорости. Иначе при наборе будет врать безбожно.
И проверьте работу контактных групп. Там может быть три или пять контактов.
Регулировка пятиконтактного сложнее чем трех.
И фото обратной стороны номеронабирателя сделайте если не получится.

- yuriy
- Сообщения: 7199
- Зарегистрирован: 17 сен 2009, 17:02
- Откуда: От верблюда.Москва, Окрестности Зеленограда.
- Благодарил (а): 8 раз
- Поблагодарили: 49 раз
- Контактная информация:
Re: Судовой телефон ТАС 1М не могу подключить
Можно и поменять.Юрий Иванович писал(а):Может лучше поменять весь диск?
В вашем аппарате установлен современный диск, явно не от этого аппарата.
Возможно его неправильно подключили.
Импульсные контакты в этом желтый и красный провода.
Блокирующие зеленый черный и синий. Одна пара из этой группы отсекает два последних импульса.
Смотреть и проверять надо.
По фото вроде бы все нормально.
-
Юрий Иванович
- Сообщения: 62
- Зарегистрирован: 16 янв 2010, 23:01
- Откуда: г. Москва
Re: Судовой телефон ТАС 1М не могу подключить
Спасибо!yuriy писал(а):Можно и поменять.Юрий Иванович писал(а):Может лучше поменять весь диск?
В вашем аппарате установлен современный диск, явно не от этого аппарата.
Возможно его неправильно подключили.
Импульсные контакты в этом желтый и красный провода.
Блокирующие зеленый черный и синий. Одна пара из этой группы отсекает два последних импульса.
Смотреть и проверять надо.
По фото вроде бы все нормально.
Попробую поменять местами на колодке.
- yuriy
- Сообщения: 7199
- Зарегистрирован: 17 сен 2009, 17:02
- Откуда: От верблюда.Москва, Окрестности Зеленограда.
- Благодарил (а): 8 раз
- Поблагодарили: 49 раз
- Контактная информация:
Re: Судовой телефон ТАС 1М не могу подключить
Юрий Иванович
Сначала проверить подключение согласно схемы.
Сначала проверить подключение согласно схемы.
-
kass20
- Сообщения: 568
- Зарегистрирован: 30 янв 2014, 22:23
- Благодарил (а): 8 раз
- Поблагодарили: 75 раз
Re: Судовой телефон ТАС 1М не могу подключить
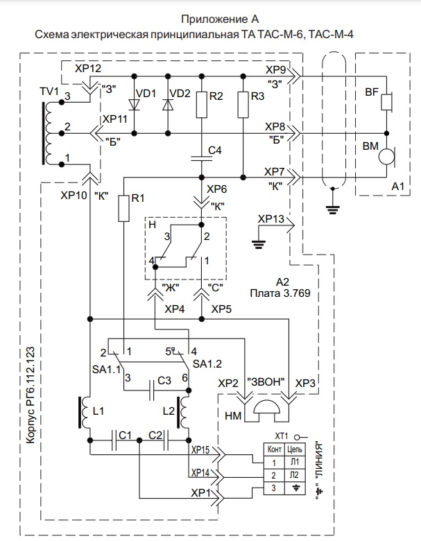
Аппарат у вас правильный: именно такой номеронабиратель и устанавливался в те годы. Подключение по цветам номеронабирателя и трубки -правильное. Могу предположить, что неправильно работает импульсная группа номеронабирателя:К-Ж. Проверка совсем простая.Подключите выводы К и Ж к тестеру в режиме измерения сопротивления. Увидите короткое замыкание..., набирайте номер..., стрелка должна дергаться.
-
Юрий Иванович
- Сообщения: 62
- Зарегистрирован: 16 янв 2010, 23:01
- Откуда: г. Москва
Re: Судовой телефон ТАС 1М не могу подключить
Попробовал. Тестер цифровой. Показания меняются при прокрутке диска.kass20 писал(а):Аппарат у вас правильный: именно такой номеронабиратель и устанавливался в те годы. Подключение по цветам номеронабирателя и трубки -правильное. Могу предположить, что неправильно работает импульсная группа номеронабирателя:К-Ж. Проверка совсем простая.Подключите выводы К и Ж к тестеру в режиме измерения сопротивления. Увидите короткое замыкание..., набирайте номер..., стрелка должна дергаться.
Посмотрел схему и обнаружил два лишних контакта: чёрный (нигде его нет) и жёлтый к трубке.
Вот схема на крышке телефона

А эта из интернета

- yuriy
- Сообщения: 7199
- Зарегистрирован: 17 сен 2009, 17:02
- Откуда: От верблюда.Москва, Окрестности Зеленограда.
- Благодарил (а): 8 раз
- Поблагодарили: 49 раз
- Контактная информация:
Re: Судовой телефон ТАС 1М не могу подключить
Красный и желтый, как я писал выше, это импульсные контакты, которые дают импульсы набора.
5 и 6 контакты замыкают капсюль во время набора, чтобы не было слышно стрекотания в трубке.
а 1 и 2, это блокирующие контакты, так как при наборе той же единицы импульсные контакты дают не один а три импульса, и два последних импульса отсекаются этими контактами.
Вот вкратце что и как работает.
Нумерация приведена относительно номеронабирателя по схеме.
5 и 6 контакты замыкают капсюль во время набора, чтобы не было слышно стрекотания в трубке.
а 1 и 2, это блокирующие контакты, так как при наборе той же единицы импульсные контакты дают не один а три импульса, и два последних импульса отсекаются этими контактами.
Вот вкратце что и как работает.
Нумерация приведена относительно номеронабирателя по схеме.
-
Юрий Иванович
- Сообщения: 62
- Зарегистрирован: 16 янв 2010, 23:01
- Откуда: г. Москва
Re: Судовой телефон ТАС 1М не могу подключить
Ясно.yuriy писал(а):Красный и желтый, как я писал выше, это импульсные контакты, которые дают импульсы набора.
5 и 6 контакты замыкают капсюль во время набора, чтобы не было слышно стрекотания в трубке.
а 1 и 2, это блокирующие контакты, так как при наборе той же единицы импульсные контакты дают не один а три импульса, и два последних импульса отсекаются этими контактами.
Вот вкратце что и как работает.
Нумерация приведена относительно номеронабирателя по схеме.
А вот чёрный от номеронабирателя куда подключить? На схеме его нет. Может это "масса"?
И есть ещё жёлтый (четвёртый), который идёт к трубке. Его куда подключить?
Трубка при наборе "стрекочет" как кузнечик.
При вызове телефон звонит.

- yuriy
- Сообщения: 7199
- Зарегистрирован: 17 сен 2009, 17:02
- Откуда: От верблюда.Москва, Окрестности Зеленограда.
- Благодарил (а): 8 раз
- Поблагодарили: 49 раз
- Контактная информация:
Re: Судовой телефон ТАС 1М не могу подключить
Нет там массы. Надо по контактам смотреть. И по схеме.Юрий Иванович писал(а): Может это "масса"?
Черный и зеленый это должно быть блокирующие контакты которые замыкают капсюль телефонный при наборе, чтоб не стрекотал. Схема и аппарат у вас в руках. смотрите.
-
kass20
- Сообщения: 568
- Зарегистрирован: 30 янв 2014, 22:23
- Благодарил (а): 8 раз
- Поблагодарили: 75 раз
Re: Судовой телефон ТАС 1М не могу подключить
На первом фото все точки подключения номера и трубки -правильные (по цветам). Просто я посмотрел свой телефон этой же модели и конструкции. Могу завтра включить и окончательно сказать о соответствии точек и цветов. Не волнуйтесь, аппарат простой, сможете починить имея в резерве только тестер.Юрий Иванович писал(а):Ясно.yuriy писал(а):Красный и желтый, как я писал выше, это импульсные контакты, которые дают импульсы набора.
5 и 6 контакты замыкают капсюль во время набора, чтобы не было слышно стрекотания в трубке.
а 1 и 2, это блокирующие контакты, так как при наборе той же единицы импульсные контакты дают не один а три импульса, и два последних импульса отсекаются этими контактами.
Вот вкратце что и как работает.
Нумерация приведена относительно номеронабирателя по схеме.
А вот чёрный от номеронабирателя куда подключить? На схеме его нет. Может это "масса"?
И есть ещё жёлтый (четвёртый), который идёт к трубке. Его куда подключить?
Трубка при наборе "стрекочет" как кузнечик.
При вызове телефон звонит.
-
Юрий Иванович
- Сообщения: 62
- Зарегистрирован: 16 янв 2010, 23:01
- Откуда: г. Москва
Re: Судовой телефон ТАС 1М не могу подключить
Спасибо.kass20 писал(а): На первом фото все точки подключения номера и трубки -правильные (по цветам). Просто я посмотрел свой телефон этой же модели и конструкции. Могу завтра включить и окончательно сказать о соответствии точек и цветов. Не волнуйтесь, аппарат простой, сможете починить имея в резерве только тестер.
Переподключил как было. Не стрекочет. Но и не посылает (скорее всего) это стрекотание на АТС. Т.к. сразу после набора номера снова длинный гудок.

- yuriy
- Сообщения: 7199
- Зарегистрирован: 17 сен 2009, 17:02
- Откуда: От верблюда.Москва, Окрестности Зеленограда.
- Благодарил (а): 8 раз
- Поблагодарили: 49 раз
- Контактная информация:
Re: Судовой телефон ТАС 1М не могу подключить
Подключите тестер на красный и желтый в режиме измерения сопротивления и наберите 0 , посмотрите, будет ли стрелка прыгать в такт импульсам, если прибор цифровой, то смотрите прыжки сопротивления. Предел измерений 1 к.
-
kass20
- Сообщения: 568
- Зарегистрирован: 30 янв 2014, 22:23
- Благодарил (а): 8 раз
- Поблагодарили: 75 раз
Re: Судовой телефон ТАС 1М не могу подключить
На моем телефоне, на крайней левой точке только Ж (трубка) сидит. У вас ещё что-то зацеплено- не видно на фото.Юрий Иванович писал(а):Спасибо.kass20 писал(а): На первом фото все точки подключения номера и трубки -правильные (по цветам). Просто я посмотрел свой телефон этой же модели и конструкции. Могу завтра включить и окончательно сказать о соответствии точек и цветов. Не волнуйтесь, аппарат простой, сможете починить имея в резерве только тестер.
Переподключил как было. Не стрекочет. Но и не посылает (скорее всего) это стрекотание на АТС. Т.к. сразу после набора номера снова длинный гудок.
- yuriy
- Сообщения: 7199
- Зарегистрирован: 17 сен 2009, 17:02
- Откуда: От верблюда.Москва, Окрестности Зеленограда.
- Благодарил (а): 8 раз
- Поблагодарили: 49 раз
- Контактная информация:
Re: Судовой телефон ТАС 1М не могу подключить
Вот в этом и может быть причина.kass20 писал(а):На моем телефоне, на крайней левой точке только Ж (трубка) сидит. У вас ещё что-то зацеплено- не видно на фото.
Если перепутать линейные клеммы с клеммами подсоединения трубки.
Фото клеммной планки своего выложите, будет понятно чего и как.
-
Юрий Иванович
- Сообщения: 62
- Зарегистрирован: 16 янв 2010, 23:01
- Откуда: г. Москва
Re: Судовой телефон ТАС 1М не могу подключить
Там жёлтый провод который идёт на трубку (четвёртый).kass20 писал(а): На моем телефоне, на крайней левой точке только Ж (трубка) сидит. У вас ещё что-то зацеплено- не видно на фото.
И просто клема, которая поддерживает весь жгут проводов от номеронабирателя.
Вопрос по этому жёлтому проводу. Ни на одной схеме его нет.
Самые крайние левый и правый - это крепления всей колодки к корпусу.
-
kass20
- Сообщения: 568
- Зарегистрирован: 30 янв 2014, 22:23
- Благодарил (а): 8 раз
- Поблагодарили: 75 раз
Re: Судовой телефон ТАС 1М не могу подключить
Сегодня включил аппарат- все работает... все набирается. У вас схема аппарата ТАС-М. В принципе в таком аппарате может выйти из строя (силового воздействия) только номеронабиратель. Попробуйте для проверки заменить номеронабиратель. Если нет возможности. Скорее всего не отрегулирована импульсная группа Ж-К. Для проверки: чуть-чуть пинцетом отогните левый контакт (влево). ДЛЯ КОНТРОЛЯ- оцените пространственную установку деталей- блок , который двигает импульсную группу должен установлен в положение- выемкой на 3 часа. Это очень важный момент.kass20 писал(а):Завтра -подскажу... по точкам.
Из своего опыта. Любой номеронабиратель серии НР-5: 3-5-7 жильный элементарно регулируется в любых домашних условиях с попаданием параметров в нормы ГОСТа, но при наличии прибора ИПН-1. На "глазок" регулировать- пустая затея.
Для информации: Желтый провод от трубки не подключен... болтается просто так.
-
Юрий Иванович
- Сообщения: 62
- Зарегистрирован: 16 янв 2010, 23:01
- Откуда: г. Москва
Re: Судовой телефон ТАС 1М не могу подключить
Большое спасибо. Попробую поискать диск металический.kass20 писал(а):[
Для информации: Желтый провод от трубки не подключен... болтается просто так.
А белый провод справа как подключен?
-
Юрий Иванович
- Сообщения: 62
- Зарегистрирован: 16 янв 2010, 23:01
- Откуда: г. Москва
Re: Судовой телефон ТАС 1М не могу подключить
Нашёл диск от таксофона. Работает как часы. И вид стал лучше.
Всем спасибо за помощь!


Всем спасибо за помощь!


- yuriy
- Сообщения: 7199
- Зарегистрирован: 17 сен 2009, 17:02
- Откуда: От верблюда.Москва, Окрестности Зеленограда.
- Благодарил (а): 8 раз
- Поблагодарили: 49 раз
- Контактная информация:
Re: Судовой телефон ТАС 1М не могу подключить
Вот и отлично.Юрий Иванович писал(а):Нашёл диск от таксофона. Работает как часы. И вид стал лучше.
Re: Судовой телефон ТАС 1М не могу подключить
Господа, добрый день.
Воспользуюсь темкой, которую нашел.
Имею тоже такой телефон. Остался от отца, очень хотелось бы его запустить.
Единственное усовершенствование было сделано отцом - поставлен выключатель, отключать звонок, чтобы не будил.
На памяти очень хорошо работал, сейчас ни в какую.
Всё работает, номер набирает, я все слышу прекрасно, меня вообще никак.
Грешил на микрофон - смотрел, чистил, даже уголь менял (было несколько микрофонов), толку - 0.
Решил спаять схемку по этой ссылке - http://vikan48.ucoz.net/publ/ehlektretn ... e/1-1-0-18
Ничего не получилось.
Что интересно, с угольным микрофоном меня кое-как слышали, с новой схемой вообще ничего.
Замеры мультиметром показали - на динамике напряжение чуть больше 2 вольт, на микрофоне 0.
При опущенной трубке везде 0.
Потыкал вольтметром по клеммам))
Напряжение
2-4 чуть больше 2 вольт.
4-5 0 вольт.
2-5 такое же, как и между 2-4
Пропаял все выводы, почистил контакты, проверил большой конденсатор. Всё, на этом мой опыт в ремонте закончился). Посоветуйте, пожалуйста, куда дальше копать?





Воспользуюсь темкой, которую нашел.
Имею тоже такой телефон. Остался от отца, очень хотелось бы его запустить.
Единственное усовершенствование было сделано отцом - поставлен выключатель, отключать звонок, чтобы не будил.
На памяти очень хорошо работал, сейчас ни в какую.
Всё работает, номер набирает, я все слышу прекрасно, меня вообще никак.
Грешил на микрофон - смотрел, чистил, даже уголь менял (было несколько микрофонов), толку - 0.
Решил спаять схемку по этой ссылке - http://vikan48.ucoz.net/publ/ehlektretn ... e/1-1-0-18
Ничего не получилось.
Что интересно, с угольным микрофоном меня кое-как слышали, с новой схемой вообще ничего.
Замеры мультиметром показали - на динамике напряжение чуть больше 2 вольт, на микрофоне 0.
При опущенной трубке везде 0.
Потыкал вольтметром по клеммам))
Напряжение
2-4 чуть больше 2 вольт.
4-5 0 вольт.
2-5 такое же, как и между 2-4
Пропаял все выводы, почистил контакты, проверил большой конденсатор. Всё, на этом мой опыт в ремонте закончился). Посоветуйте, пожалуйста, куда дальше копать?





- Shuare
- Сообщения: 4542
- Зарегистрирован: 19 сен 2009, 14:18
- Откуда: СПб
- Благодарил (а): 908 раз
- Поблагодарили: 573 раза
Re: Судовой телефон ТАС 1М не могу подключить
Схема "из двух деталей". Неужели нельзя просмотреть ВСЕ? И найти обрыв. Микрофон без питания работать не может
Это наша с тобою земля,
Это наша с тобой биография...
Это наша с тобой биография...
Re: Судовой телефон ТАС 1М не могу подключить
Схему, которую нашел не очень понимаю.
Можно, конечно, попробовать по проводочкам пойти, но они уложены в шнур и завязаны суровой нитью. Очень не хотелось разрезать, хотелось оставить оригинальное плетение.
Я надеялся, что те, кто лучше меня разбираются в схемах, подсказали бы, путь, который нужно посмотреть - например, с клеммы 4 на клемму 5 на плате, потом через резистор и что-то на микрофон...
Если не сложно, конечно).
Можно, конечно, попробовать по проводочкам пойти, но они уложены в шнур и завязаны суровой нитью. Очень не хотелось разрезать, хотелось оставить оригинальное плетение.
Я надеялся, что те, кто лучше меня разбираются в схемах, подсказали бы, путь, который нужно посмотреть - например, с клеммы 4 на клемму 5 на плате, потом через резистор и что-то на микрофон...
Если не сложно, конечно).
-
kass20
- Сообщения: 568
- Зарегистрирован: 30 янв 2014, 22:23
- Благодарил (а): 8 раз
- Поблагодарили: 75 раз
Re: Судовой телефон ТАС 1М не могу подключить
Самая шикарная модификация этого типа ТАС. Из строя в принципе не выходит ( разве что кувалдой раздолбать). Из браконесущих эпизодов может быть: 1. контакты РП ( не контакт или подгар), 2. номеронабиратель ( регулируется... как 2 пальца обоссать), 3. вот... микрофон... только методом замены ( трясите чаще... ,уголек слипается от времени).
Re: Судовой телефон ТАС 1М не могу подключить
Так проблема, что на микрофонных клеммах 4 и 5 напряжение 0.
На сколько смог разобраться - при поднятой трубке механически замыкаются два контакта (черной пластиковой трубочкой в самом верху) левые контакты на динамик, правые - на микрофон (наверное).
Левые, если их отверточкой разъединить, даже немного искрят. Правые не искрят). Прозвонил - соединяются. На всякий случай их ещё наждачкой почистил.
Что смотреть дальше - не знаю.
На сколько смог разобраться - при поднятой трубке механически замыкаются два контакта (черной пластиковой трубочкой в самом верху) левые контакты на динамик, правые - на микрофон (наверное).
Левые, если их отверточкой разъединить, даже немного искрят. Правые не искрят). Прозвонил - соединяются. На всякий случай их ещё наждачкой почистил.
Что смотреть дальше - не знаю.
- Shuare
- Сообщения: 4542
- Зарегистрирован: 19 сен 2009, 14:18
- Откуда: СПб
- Благодарил (а): 908 раз
- Поблагодарили: 573 раза
Re: Судовой телефон ТАС 1М не могу подключить
Можно не развязывая, тестером по проводочкам по схеме. Тем более - проводочки цветные
Это наша с тобою земля,
Это наша с тобой биография...
Это наша с тобой биография...
Re: Судовой телефон ТАС 1М не могу подключить
Не... цветные идут к номеронабирателю и на трубку. А все остальные белые. Если на фото приглядеться, жгут идёт возле звонка и все провода припаяны к клемной колодке снизу, поэтому их не видно.
Я пытался прозвонить, но они через схему или ещё как-то звонятся по несколько штук сразу)
На динамик, между 2 и 4 контактом есть напряжение, динамик работает, а нет между 4 и 5. Значит проблема в 5 контакте. Между 5 контактом и контактами, которые замыкаются при снятии трубки связь есть, линия звонится. Дальше - нет схемы, не знаю, куда копать).



Я пытался прозвонить, но они через схему или ещё как-то звонятся по несколько штук сразу)
На динамик, между 2 и 4 контактом есть напряжение, динамик работает, а нет между 4 и 5. Значит проблема в 5 контакте. Между 5 контактом и контактами, которые замыкаются при снятии трубки связь есть, линия звонится. Дальше - нет схемы, не знаю, куда копать).



Re: Судовой телефон ТАС 1М не могу подключить
Всё заработало.
Если кому интересно, то почему-то схема, которая была на шильдике телефона оказалась нерабочая...
Подсоединил трубку по этой схеме из инструкции к ТАС-М-6 и все заработало.
На шильдике зеленый общий, тут белый и т. д.

Что интересно, со штатным угольным микрофоном меня слышат лучше, чем по рекомендуемой схеме, но есть шумы и шорохи, а с электретным микрофоном чище, но тише))
(взято отсюда http://vikan48.ucoz.net/publ/ehlektretn ... e/1-1-0-18)

Если кому интересно, то почему-то схема, которая была на шильдике телефона оказалась нерабочая...
Подсоединил трубку по этой схеме из инструкции к ТАС-М-6 и все заработало.
На шильдике зеленый общий, тут белый и т. д.

Что интересно, со штатным угольным микрофоном меня слышат лучше, чем по рекомендуемой схеме, но есть шумы и шорохи, а с электретным микрофоном чище, но тише))
(взято отсюда http://vikan48.ucoz.net/publ/ehlektretn ... e/1-1-0-18)

Re: Судовой телефон ТАС 1М не могу подключить
Здравствуйте! Вопрос в тему по этому телефону. При первичном неоднократном тестирование работал в полном объеме, набирался, звонил, слышно было отлично. При очередном подключении, вдруг пропал гудок, не проходит звонок. Номер набирает идёт вызов абоненту но при ответе тишина, в общем в трубке всё время тишина. Видимых поломок не заметно, крышку открыл вообще первый раз. Подскажите пожалуйста как исправить поломку. Подключения аппарата и когда работал и когда замолчал были на одни и те же клемы (первоначально просто на концы провода которые выходили из аппарата) Телефон 1973 года, можно сказать в отличном состоянии. Самое досадное, что телефон уже установил стационарно для пользования, и естественно по известному закону после этого он и замолчал. С нетерпением жду комментариев и советов от знатоков.

Последний раз редактировалось Mahno 29 янв 2023, 13:03, всего редактировалось 2 раза.
Re: Судовой телефон ТАС 1М не могу подключить
Фотографии ТАС-М со снятой крышкой.

Последний раз редактировалось Mahno 29 янв 2023, 13:05, всего редактировалось 1 раз.
Re: Судовой телефон ТАС 1М не могу подключить
Заработал телефон! Символично, что в год 50-летия своего выпуска. Почистил контакты верхние, которые работают при снятии трубки. И главное скорее всего замкнулись клемы на микрофоне в трубке на металлическое кольцо держателя самой трубки, сместились в сторону. Точно не могу утверждать но в принципе такое возможно. Это легко устранить правильной установкой микрофона. Работает аппарат отлично, немного тихо слышно, но качество нормальное. Всем всего доброго!
Re: Судовой телефон ТАС 1М не могу подключить
здравствуйте. мне нужна помощь по этой теме. я хочу подключить звонок постоянного тока 24 В к телефону. как это сделать?
-
twoporylyj
- Сообщения: 1379
- Зарегистрирован: 01 ноя 2020, 21:07
- Благодарил (а): 100 раз
- Поблагодарили: 78 раз
Re: Судовой телефон ТАС 1М не могу подключить
Конденсатор, выпрямитель и реле, которое будет включаться при поступлении с АТС стандартного сигнала вызова. Отдельный источник на 24 В, напряжение с которого будет поступать на звонок при замыкании реле. Сам звонок зашунтировать диодом в обратной полярности, реле дольше протянет.
