В основном, в таких случаях используют транскодеры PAL-SECAM. Идея транскодирования удобна простотой подключения, но при этом неизбежно теряется качество изображения. Тем более, в наши дни широко распространены всевозможные источники с HDMI выходом, с которого можно через конвертер сразу получить компонентные видеосигналы. Поэтому я решил сделать именно кодер, преобразующий компонентные сигналы в композитный (полный) сигнал по системе SECAM.
Схема принимает на вход или сигналы RGB (например, со SCART или от компьютера), или сигналы YUV (от видеокамер, приставок цифрового ТВ или конвертеров с HDMI). На выходе получается готовый сигнал, который можно подать на вход телевизора, видеомагнитофона или модулятора. Также есть всё необходимое, чтобы подключить дочернюю плату декодера PAL, тогда изделие будет работать как транскодер. Но, как я уже говорил, задачи сделать транскодер не стояло, поэтому дочернюю плату я не стал изготавливать.
За счёт простоты схемы и сложности разводки, удалось добиться размера платы всего 85 на 70 мм. По сути, она немногим больше разъёмов, к которым подключаются источники и нагрузка. Единственное, что разъём SCART выведен на внешнюю плату, как раз ради компактности (и возможности подключения туда других источников, в т.ч. не рассчитанных на 75-омную нагрузку, как в SCART). Саму плату изготовил методом ЛУТ, травил в перекиси водорода с лимонной кислотой. Как оказалось, на коленке сделать двухстороннюю плату под SDIP-32 не так просто. Что там, шаг ног микросхемы всего 1,7 мм. Но я это осилил.
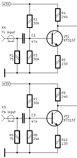
Собран кодер на микросхеме TDA8505. Это единственная доступная в продаже микросхема кодера СЕКАМ. Задержку яркостного сигнала на 650 нс выполняет не менее доступная TDA4565 (К174ХА27 / A4565). Входные инверторы Pb/Pr в -(B-Y)/-(R-Y) сделаны на ещё более распространённых КТ315Г.
Полное описание и схема выкидушки под RGB SCART: https://atauenis.ru/wp-content/uploads/ ... i-v2.2.zip
По порядку: УЭИТ по RGB, тест по YUV (с видеокамеры), живая картинка по RGB (с DVD).
В целом, первыми результатами я доволен. Однако, есть и кое-что, что просится исправить:
1. Стоящие в цепях цветоразностных сигналов инверторы работают, но всё же ослабляют сигнал. Насыщенность по YUV очень слабая, в отличие от RGB. Надо подбирать резисторы R2-R10.
2. Эмиттерный повторитель для выходного видеосигнала тоже имеет ошибку. Там аж 1,5В постоянки есть, из-за этого под каждый ТВ/модулятор приходится крутить подстроечник уровня. В целом, не страшно, но не есть гуд.
3. Сигнал яркости с YUV и сигнал синхронизации в RGB на плате смешиваются, поэтому одновременно иметь оба входа воткнутые и переключаться только одной перемычкой (J1) не выходит. Изначально я вообще хотел эту перемычку соединить через резистор со скартом, чтобы само переключалось, но пока облом.
Относительно выложенной чуть выше схемы в рабочем варианте получились такие отличия: R15, R16, R23 оказались не нужны. R31 может быть 510 Ом, а R32 0,47к (именно такие я нашёл у себя, и, как оказалось, они подходят).
Видео работы с телевизором Шилялис Ц-410Д:
По мере свободного времени буду устранять описанные выше проблемы, и писать что как получилось. Также, возможно, ближе к зиме-весне будет возможность сделать готовые платы всем желающим на заводском оборудовании, но это не точно.






